Разновидности схем подключения
Трехфазный счетчик прямого подключения

Устройство предназначено для монтажа в электролиниях с силой тока до 100 А. Так можно снизить нагрузку техники, совместимой с приборами учета до 60 кВт. Особенность прямых счетчиков – невозможность присоединения контактов к проводникам большого сечения. Подключаться следует так:
- С кабеля снимается изоляционный слой на 5 мм. Окисления удаляются при помощи растворителя.
- Проводники подсоединяются на трехполюсный автомат, установленный для счетчика. Это выполняется с целью его защиты от замыкания на линии питания.
- В клеммном отделе прибора находятся контакты.
- На нечетные подкидываются 3 провода фазы от автовыключателя питания.
- Вводные и выходные нейтрали соединяются с клеммами № 7 и № 8.
- После установки учетного модуля ставится автомат, аналогичный вводному изделию.
- Выключатель подсоединяется на четные клеммы.
- Проводится разбивка техники на группы и на каждую фазу ставятся автоматы (для сетей с напряжением 220 В).
Особенности схемы подключения можно посмотреть на крышке клеммника.
Подсоединение прибора учета полукосвенным способом
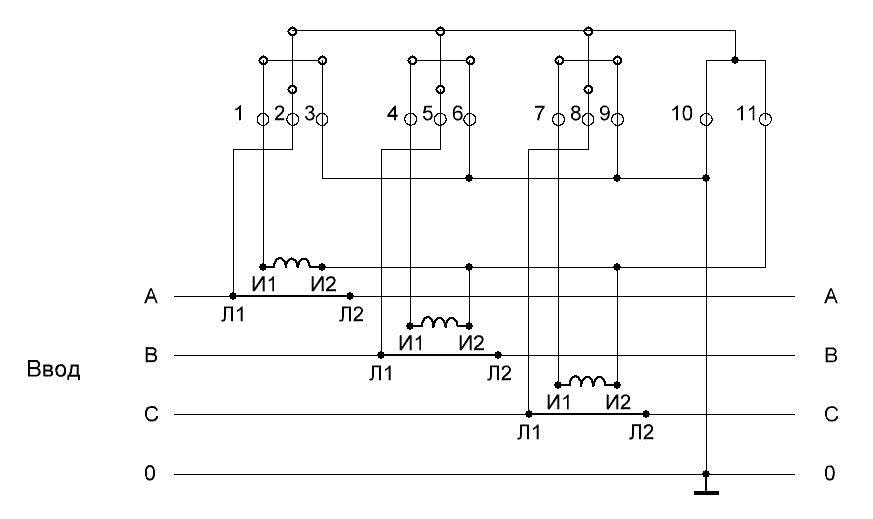
Полукосвенный электросчетчик подкидывается на трансформаторы учета. Считать количество использованной энергии нужно, ориентируясь на преобразовательный индекс. Для этого используется одна из схем:
- Десятипроводная. Понадобится 11 проводов, которые подключаются справа влево. На первые 3 подсоединяется фаза А, на вторые 3 – фаза В. На кабели № 7-9 подкидывается фаза С, на десятый – нейтраль. Подключать трехфазник нужно испытательными колодками.
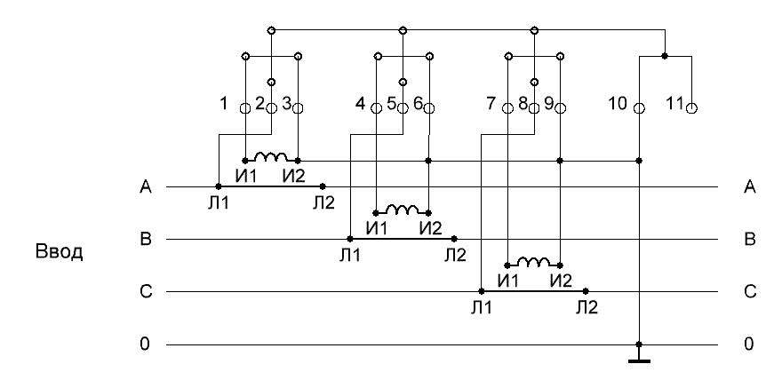
- Звезда. Применение схемы позволяет сократить количество проводников. Вначале в одной общей точке собираются первые однополярные выходы вторичной обмотки. Следующие 3 точки от выходов направляются на счетчик. Токовые обмотки соединяются.

Звезда

Десятипроводная
Полукосвенные модели также допускается подкидывать при помощи сцепки цепи тока с цепью напряжения.
Косвенный метод подключения счетчика

Схема включения трехэлементного счетчика к трехпроводной линии — два трансформатора тока, три трансформатора напряжения При минимальных энергозатратах актуально косвенное соединение. Поскольку через учетные изделия проходит повышенный ток, требуется раздельный трансформатор. Преобразователь разрывает токовую обмотку при подключении. Схема реализуется последовательно:
- Подбор материалов для первичного и вторичного контуров. Для первички понадобится толстый проводник, пропущенный через центр трансформатора. Вторичка навивается из тонкой проволоки.
- Трансформаторы подкидываются на каждую из фаз и крепятся к задней стенке распредшкафа.
- Концы проводов первички подключаются к автомату на вводе.
- Вторая часть контактов первичного контура отдельными проводниками сечением 1,5 мм2 подсоединяется на клеммы № 2, 5 и 8.
- Вторичную катушку подсоединяют аналогичными кабелями на выводы учетного прибора – 1 к 3, 4, а 6 и 7 к 9.
- На клеммники № 10 и 11 подкидывают нейтральный провод.
Чем трёхфазный счётчик электроэнергии отличается от однофазного
Прежде чем описывать эту схему подключения счетчика к сети 380 Вольт необходимо дать краткое описание отличий трехфазного напряжения от однофазного. В обоих видах используется один нулевой проводник N. Разность потенциалов между каждым фазовым проводом и нулем равна 220 В, а по отношению этих фаз друг к другу – 380 В. Такая разность получается из-за того, что колебания на каждом проводе сдвинуты на 120 градусов (рисунки 3 и 4).
Однофазное напряжение используется в частных домах, на даче, а также в гаражах. В таких местах потребляемая мощность редко превышает 10 кВт. Это также позволяет использовать на участке более дешевые провода с сечением 4 мм.кв., т. к. потребляемый ток ограничен 40 А.
https://www.youtube.com/video/MSTUZSSCg2g
В случае если потребляемая мощность в сети превышает 15 кВт, то использование 3-х фазовых проводов обязательно даже, если отсутствуют трехфазные потребители, в частности, электродвигатели. В этом случае происходит распределение нагрузки по фазам, что позволяет снизить нагрузку, если бы такая же мощность забиралась от одной фазы. Поэтому в офисных зданиях и магазинах, как правило, применяют именно трехфазное питание.
Однофазные счетчики осуществляют учет электроэнергии в двухпроводных сетях переменного тока с напряжением 220В. А трехфазные — в сетях переменного трехфазного тока (3-х и 4-проводных) номинальной частотой 50 гц.
Однофазное питание чаще всего используют для электрификации частного сектора, спальных районов городов, офисных и административных помещений, в которых потребляемая мощность составляет около 10 кВт. Соответственно, в этом случае и учет электричества осуществляется с помощью однофазных счетчиков, большим преимуществом которых является простота их конструкции и монтажа, а также удобство пользования (снятия фазы и показаний).
Главное же преимущество заключается в возможности напрямую подключать трехфазные электроприборы, такие как обогреватели, электрокотлы, асинхронные двигатели, мощные электроплиты. Точнее — преимущества сразу два. Первое — при трехфазном электропитании данные приборы работают с более высокими качественными параметрами, а второе — не возникает «перекоса фаз» при одновременном использовании нескольких мощных электроприемников, поскольку всегда есть возможность подключить электроприборы к фазе, свободной от просадки через «перекос».
Наличие или отсутствие нулевого провода определяет, какой счетчик потребуется установить: трехпроводной при отсутствии «ноля», а при его наличии — четырехпроводной. Для этого есть соответствующие специальные обозначения в его маркировке — 3 или 4. Также выделяют счетчики прямого и трансформаторного включения (при токах, имеющих 100А и более на фазу).
Чтобы получить более четкое представление о преимуществах однофазного и трехфазного счетчиков друг перед другом, следует провести сравнение их плюсов и минусов.
Начнем с того, в чем проигрывает трехфазный однофазному:
- множество хлопот в связи с обязательным получением разрешения на установление счетчика и вероятность получения отказа
- Габариты. Если до этого использовалось однофазное питание с одноименным счетчиком, следует позаботиться о месте для установления вводного щита, как и самого трехфазного счетчика.
Для того, чтобы правильно подключить счётчик, необходимо знать схему его подключения. Следует отметить, что процесс подключения всех однофазных счётчиков абсолютно одинаков.
- Во-первых, счётчик подключается напрямую в силовую цепь, т.е. последовательно с подводимым питающим напряжением и электрической нагрузкой. Если рассматривать электрическую схему полностью, то она выглядит следующим образом: входное (питание) напряжение 220В – однофазный счётчик – выходное напряжение 220В – защитный автомат – переходная (соединительная) коробка – электрические потребители.
- Во-вторых, у каждого однофазного счётчика имеются четыре специальных силовых клеммы для подключения проводов. Если считать эти клеммы слева направо, то первая клемма – это приходящая фаза, вторая клемма – выходящая фаза. Третья клемма – приходящий ноль, ну а четвёртая – выходящий ноль. Т.е. у однофазного счётчика две входных и две выходных клеммы.
Преимущества подключения на 3 фазы

Три фазы в частном доме Устанавливая многотарифный счетчик, владельцы дома или квартиры получают множество выгод:
- экономия – у некоторых моделей есть режимы дневной и ночной тарификации, что позволяет использовать меньше энергии ночью, чем днем;
- универсальность – устройства можно подсоединить со стандартной сети 220 В или новой сети 380 В прямым способом или через трансформатор;
- постоянный контроль – счетчик уравновешивает сетевое напряжение;
- точность – учет затраченной электроэнергии производится с погрешностью от 0,2 до 2,5 %;
- дополнительные функции – счетчики оснащаются журналом событий, электросиловым модемом, фиксацией пользователей, монитором для вывода данных.
Однофазный вариант дает погрешность показаний до 5 %.
Общие правила монтажа
Монтаж не является сложной операцией, если знать, как правильно подключить прибор. Самостоятельное исполнение часто бывает качественнее, чем работа ненадежного мастера.
При приобретении важна не столько дата изготовления, сколько дата поверки устройства. Опломбирование должно быть проведено не ранее, чем год назад.
Перед работой с прибором, нужно получить разрешение и технические условия (ТУ) от организации по энергосбыту. ТУ являются основным документом, по которому будет проверяться устройство
Поэтому важно детально изучить требуемые технические характеристики каждого устройства и комплектующих. Это избавит от замечаний и лишних доработок
Основные понятия:
- Электросчётчик — звено, пропускающее ток с напряжением, необходимым для питания техники в доме. Ориентируясь на количество используемой высокомощной техники, выбирается трехфазный или однофазный счетчик.
- Клеммы — места для подсоединения проводов. Перед началом установки стоит изучить их маркировку.

Монтаж возможен внутри каждой отдельной квартиры или на общей лестничной площадке, в частных домах — внутри и вне здания. На расположение влияет то, заменяется старая или подключается новая проводка.
Схема подключения электрического счетчика осуществляется через трансформаторы тока или без них. Для косвенного типа применяются трансформаторы тока и напряжения.
На всех этапах следует соблюдать правила электробезопасности
Важно знать, что не допускается подключение однофазного электроприбора в сеть на 380 вольт
Последовательность операций подключения
Этапы установки:
- отключение входного питания;
- снятие пломб;
- открытие клемм;
- подсоединение проводов.
Перед монтажом следует убедиться, что сеть обесточена, воспользовавшись индикатором.
С момента опломбирования должно пройти не более 12 месяцев. Разрешено подключение 3-х фазного счетчика без видимых механических повреждений кожуха и стекла корпуса.
Возможна установка, если на корпусе трехфазного счетчика есть пломбы ОТК в виде стикера и пломбы госповерителя.
Какая документация потребуется?
Для организации подвода электросети к зданию на законных основаниях требуется собрать пакет документов, в состав которого входят договор технологического присоединения к электрическим сетям, технические условия (ТУ), акт разграничения по балансовой принадлежности и собственно проект электроснабжения здания.
В ТУ описываются условия, на основе которых выполняется подключение электричества к дому.
Проект является основным документом, на основе которого выполняются все электромонтажные работы. В его состав входит схема разводки электропроводки с вводом на три фазы в частном доме. Для разработки плана проводки частного дома можно использовать типовые электромонтажные схемы. Стандартная трехфазная схема электропроводки делится на внешнюю и внутреннюю. Внешняя иногда выполняется отдельно и называется пусковой.
В акте разграничения по балансовой принадлежности разделяются границы ответственности между энергосбытовой компанией и потребителем.
Самостоятельное подключение счетчика
Правильно подключить электрический счетчик самостоятельно довольно сложно и опасно. Для этих работ необходимо иметь лицензию и группу допуска не ниже третьей.
Требования закона
Подключение электросчетчика необходимо производить согласно правилам устройства электроустановок (ПУЭ) в следующем порядке:
- Монтаж и подключение приборов учета электрической энергии производить только сертифицированным инструментом.
- Счетчики должны устанавливаться в ящиках, на шкафах распределительных устройств, имеющие жесткие основания.
- Питание к розетке следует подключать через автомат.
- Размеры шкафов и ящиков должны обеспечивать комфортный доступ к приборам учета.
- Выбор сечения подключаемых проводников производится согласно проектной документации.
Набор инструментов и материалов для монтажа
Для производства монтажа и подключения счетчиков необходимо иметь простой набор инструмента:
- плоскогубцы;
- отвертку;
- индикатор;
- мегомметр;
- уровень строительный;
- лестницу;
- монтажный пояс.
Материалы выбираются согласно спецификации в проектной документации.
К материалам относятся:
- защитные автоматические выключатели;
- проводники и кабели;
- тросовая продукция.
Схема подключения счетчика
Схемы подключения счетчиков имеют два вида:
- прямого действия (ток нагрузки до 100 ампер);
- косвенного действия (через измерительные трансформаторы тока и напряжения).
Однофазного
Однотарифный счетчик двухпроводной сети подключаются по схеме прямого действия, приведенной ниже.
Принципиальная схема подключения однофазного счетчика
На схеме видно, что питание приходит на клеммы счетчика 1 и 3. Потребитель включается через автоматический выключатель или пробки на клеммы 2 и 4. Фазный и нулевой проводник необходимо соблюдать, т. к. счетчик будет работать некорректно.
На видео показано правильное подключение однофазного счетчика энергомера. Снято каналом energomera.
https://youtube.com/watch?v=TDJ2SrSzOlQ
Трехфазного
Трехфазные счетчики могут подключаться как по схеме прямого действия, так и косвенного. Подключение прибора по схеме прямого действия похоже на схему подключения однофазного счетчика. Этот способ предназначен при потреблении тока до 100 ампер. Ниже представлена схема подключения счетчика прямого действия по четырехпроводному принципу.
Принципиальная схема прямого действия для трехфазного счетчика
Питание подключается к следующим клеммам:
- фаза А-1;
- фаза В-3;
- фаза С-5;
- нуль-8.
Потребительская нагрузка подключается на четные клеммы соответственно 2, 4, 6 и 8. Необходимо строго соблюдать порядок подключения и произвести фазировку напряжения.
На промышленных предприятиях применяется схема подключения косвенного действия, т. е. через измерительные трансформаторы тока и напряжения. Трансформаторы тока имеют вторичный ток при максимальной нагрузке 1 или 5 ампер. На вторичной обмотке напряжения значение составляет 100 вольт. Датчики тока и напряжения должны соответствовать классу точности и полярности подключения.
Ниже представлена схема косвенного подключения прибора учета электрической энергии.
Косвенное подключение трехфазного счетчика
Установка счетчика: основные правила
Установить счетчик следует согласно правилам устройства электроустановок (ПУЭ):
- Согласно проектной документации монтируется влагозащищенный шкаф для прибора учета электрической энергии на высоте 0,8-1,7 м от напольной поверхности. Но рекомендовано чтобы счетчик стоял на уровне глаз.
- Проводники необходимо использовать медные с сечением от 2,5 мм до 6 мм.
- Нельзя допускать скрутки и ответвление проводов.
- Установку счетчика своими руками производится с уровнем, чтобы угол наклона не превышал один градус.
- При подключении счетчика необходимо промаркировать провода. А также необходимо подключить защитные автоматические выключатели и произвести пломбировку прибора учета.
В случае отсутствия пломбы владелец может быть обвинен в хищении электрической энергии.
- Отключается вводной пакетник или автоматический выключатель для безопасного проведения работ.
- Выбирается щитовая и проводниковая продукция согласно проекту.
- Щит учета устанавливается на место монтажа.
- Производится монтаж счетчика на площадку шкафа. На DIN рейку монтируются счетчик, защитные автоматы и система УЗО.
- Подключение электросчетчика производится СИП проводниками согласно схеме. Фазировка должна быть соблюдена при монтаже.
- Опробование системы учета. Перед включением к сети необходимо произвести замер целостности изоляции с помощью мегомметра
- Опломбирование счетчика энергоснабжающей компанией.
Подключение трехфазного счетчика прямого включения
13 Июл 2018г | Раздел: Электрика
Здравствуйте, уважаемые читатели сайта sesaga.ru. Для учета потребляемой электрической энергии в трехфазных четырехпроводных цепях переменного тока применяют трехфазные электрические счетчики, разделяющиеся по типу подключения на счетчики непосредственного включения, полукосвенного и косвенного включения.
Счетчики полукосвенного и косвенного включения предназначены для работы в мощных электрических сетях и применяются для учета энергии на крупных строительных объектах, промышленных предприятиях, заводах и т.п.

Счетчик измеряет потребляемую энергию с помощью разделительных трансформаторов тока, которые устанавливают на каждую фазу. Трансформаторы преобразуют входной сигнал тока до определенной величины, который затем поступает в измерительную часть счетчика.
Отсюда и происходит название способа включения, потому что в процессе измерения ток сначала проходит через трансформаторы и понижается до рабочего диапазона счетчика, и только потом попадает в его измерительную часть. Поэтому за счет применения трансформаторов счетчики косвенного и полукосвенного включения могут работать с нагрузкой в несколько раз превышающей их рабочий ток.

Счетчики непосредственного включения применяются для учета потребляемой энергии в электрической сети маломощного потребителя. Измерение электроэнергии осуществляется внутренней схемой самого счетчика, которая подключается непосредственно к трехфазной четырехпроводной сети переменного тока. И хотя такое включение ограничено максимальным током, который способен пропустить счетчик и ограничено величиной 100 Ампер, однако этого тока вполне достаточно для домашней электрической сети.

На примере трехфазного счетчика непосредственного включения «Энергомера» я расскажу Вам, как его включить в трехфазную сеть. В принципе, схема подключения дается в руководстве по эксплуатации и дополнительно изображена на корпусе счетчика, поэтому проблем с подключением возникнуть не должно. Однако эти схемы имеют один минус – на них не показано включение коммутационной аппаратуры.


Сейчас мы этот минус устраним. Итак. Для подключения нам понадобится счетчик, два автоматических выключателя и нулевая шинка. Автомат, который будет стоять на вводе (перед счетчиком), желательно установить четырехполюсный, чтобы при необходимости или возникновении аварийной ситуации можно было полностью отключить себя от линии.

Чтобы добраться до клеммной колодки необходимо открутить винт и снять нижнюю крышку. На рисунке винт обозначен кружком.


Сначала подключим вводной автомат. С выходных клемм автомата фазы А, В, С (белый провод) подключают на входные клеммы счетчика 1-3-5, а ноль N (синий провод) на клемму 7.

В процессе монтажа провод от изоляции очищают следующим образом: конец провода, подключаемый к выходной клемме автоматического выключателя, очищают от изоляции на длину 8 – 10 мм, а конец, подключаемый к клемме счетчика, очищают на длину 27 – 30 мм.

При подключении провода к счетчику откручивают оба винта контактного зажима. Провод вставляют до упора и первым закручивают верхний винт. Легким подергиванием провода убеждаются, что он плотно зажат и если зажат, то затягивают нижний винт.

Совет. Если счетчик предполагается использовать в частном доме или квартире, то монтаж внутренних соединений выполняется медным проводом сечением 4мм². Использовать провод сечением свыше 4мм² нет смысла, так как для домашнего потребителя Россеть более 15 кВт не дает и по техническим условиям вводной автомат разрешает устанавливать на нагрузку не более 25 Ампер. А рабочий ток медной жилы сечением 4мм² составляет приблизительно 32 Ампера, чего вполне достаточно.
Продолжаем. С выходных клемм счетчика 2-4-6 провода фаз А, В, С подключаются на входные клеммы автоматического выключателя, с выхода которого трехфазное напряжение поступает в домашнюю электрическую сеть. С клеммы 8 нулевой провод N подключается к нулевой шинке.


А вот как выглядит полная монтажная схема включения трехфазного счетчика.

Теперь если подать напряжение на счетчик, то на его лицевой панели должен зажечься световой индикатор «Сеть». А при подключении нагрузки световой индикатор «600 imp/kW•h» (или «400 imp/kW•h» — в зависимости от исполнения) должен мигать.

Также рекомендую посмотреть ролик о включении трехфазного счетчика прямого включения в трехфазную электрическую сеть.
https://youtube.com/watch?v=CD1NfPJViMw
Необходимость в трёхфазном учете
Согласно требованиям действующих нормативов, при возрастании величины потребляемой объектом мощности до значений 15-20 кВт и выше должна применяться трехфазная система питания. Объясняется это тем, что при указанных мощностях величина электрического тока в цепях может достигать 70-ти Ампер, что считается недопустимым для городских квартир.
Дополнительная информация. Для обеспечения нормального режима работы многоквартирной сети потребуется электрический кабель с сечением жил порядка 10 мм², монтаж которых практически невозможен в реальных условиях.
При данных показателях потребления действующими положениями ПУЭ предписывается использование системы энергоснабжения, рассчитанной на 380 Вольт. Учёт расходуемой энергии в этом случае обеспечивается подключением трехфазного электросчетчика непосредственно в питающую цепь.
Потребляемая при этом мощность распределяется между тремя фазными жилами, вследствие чего ток в каждой из них снижается примерно до 2,5 Ампер. Благодаря такому подходу, сечение жил подводящего кабеля, к которому подключается вся электросеть, можно будет уменьшить до значения порядка 2,5 мм².
Зависимость сечения проводников от протекающего по ним тока или от потребляемой нагрузкой мощности представлена в отдельной таблице (смотрите https://elquanta.ru/schetchiki/podklyuchenie-schetchika.html). Понятно, что при уменьшении этого параметра снижается и стоимость всей электропроводки, а также существенно упрощается ее монтаж.
Переход на современную и универсальную трехфазную схему питания предпочтителен и с точки зрения поддержания требуемого температурного баланса, обеспечивающего безопасные условия эксплуатации всей системы электроснабжения.
Естественно, что этот способ организации электропитания и учёта в частном доме потребует значительных по величине материальных издержек. Так что всем желающим воспользоваться преимуществами трехфазного подключения необходимо заранее определиться со своими финансовыми возможностями.
Принцип работы счетчика
Однофазные и трехфазные счетчики устроены по одному принципу. Разница только в том, что в сети 380 вольт учет ведется отдельно по каждой из фаз, а затем суммируется. Давайте разберемся, как работает счетчик для одной фазы, после чего понять устройство з-х фазного несложно. Ниже изображена блок-схема современного прибора с прямым подключением.

Клеммы для подключения проводов обычно располагаются в указанном на рисунке порядке, но лучше проверить по паспорту конкретного счетчика
Электронные модели
Электронные счетчики электроэнергии могут работать как в сетях переменного, так и в сетях постоянного тока
Постоянное напряжения обычно используется на предприятиях, так что для квартир и частных домов оно не слишком важно. Если сравнивать с электромеханическими моделями, по размерам электронные намного меньше, так как в них мало крупногабаритных элементов
Кроме того, они надежнее, так как нет подвижных деталей. Есть у электронных еще один плюс — они учитывают как активную, так и реактивную нагрузку (сумма индуктивной и емкостной составляющей).
Трансформатор напряжения подключен между фазой и нулем, трансформатор тока — в разрыв фазного проводника. Данные с трансформаторов передаются на преобразователь, где трансформируются в частотные сигналы и поступают в микроконтроллер. В нем расшифровываются показания и записываются в ОЗУ (оперативное запоминающее устройство). Параллельно микропроцессор руководит электронным реле и дисплеем.

Блок-схема электронного счетчика электроэнергии
Данные в ОЗУ сохраняются продолжительный период времени, записи делаются по типу дневника. В нем фиксируется расход электроэнергии по датам и времени, что позволяет провести анализ расхода. В некоторых модификациях, электронные трехфазные счетчики могут передавать информацию о расходе по специальному каналу. Этот канал может быть подключен к домашнему компьютеру, системе умный дом. При определенных настройках может автоматически передавать данные в абонентскую службу для проведения расчетов.
Еще одна функция электронных приборов учета — многотарифный учет. При наличии нескольких тарифных сеток, зависящих от времени, величина потребленной в разное время энергии, записывается в разные ячейки. При снятии показаний, данные списываются, умножаются на свой тариф. Использование многотарифного учета позволяет экономить на счетах за электричество.
Электромеханические или индукционные
Учет энергии в индукционных счетчиках построен на отслеживании параметров переменного магнитного поля, поэтому работать такие устройства могут только с переменным током.

Устройство индукционного электромеханического счетчика
Основной элемент индукционного 3-х фазного счетчика — специально сконструированный магнитопровод с прорезью. В прорезь вставляется край диска, закрепленного на оси. Через одну из катушек магнитопровода проходит ток, вторая подключена параллельно. К плоскости диска при помощи шестеренок подключен механический счетчик, отсчитывающий повороты диска.
Ток, проходя по магнитопроводу, создает магнитное поле, а оно вихревые потоки в алюминиевом диске. Взаимодействие магнитного поля и вихревых потоков создает крутящий момент, который заставляет диск крутиться вокруг своей оси. Чем больше сила тока, тем более мощное генерируется поле, тем быстрее вращается диск, тем быстрее сменяются показания на счетчике.
Схемы подключения трансформаторов
От того, какая схема подключения трехфазного счетчика через трансформаторы тока используется в данном случае, зависит надёжность работы всей измерительной системы в целом. При выборе той или иной из них необходимо учитывать следующие требования:
- Запрещено включать счетчик через трансформаторы тока, если он предназначен для прямого подсоединения в измерительную сеть;
- При косвенном включении необходимо исследовать электрическую схему и определиться с подходящей для неё моделью трансформатора (по мощности и току);
Важно! Перед тем, как выбрать трансформатор для каждой конкретной ситуации, прежде всего, следует обратить внимание на его коэффициент преобразования, имеющий отличные значения для разных моделей. Прежде чем выбрать трансформатор тока для определённой измерительной схемы нужно внимательно изучить порядок расположения контактов, к которым подключается трехфазный счетчик
Прежде чем выбрать трансформатор тока для определённой измерительной схемы нужно внимательно изучить порядок расположения контактов, к которым подключается трехфазный счетчик
Прежде чем выбрать трансформатор тока для определённой измерительной схемы нужно внимательно изучить порядок расположения контактов, к которым подключается трехфазный счетчик.
Далее будет рассмотрена конкретная схема подключения счетчика в трёхфазную цепь (смотрите рисунок ниже).
Принципиальная схема включения
Поскольку общий принцип функционирования всех электросчетчиков одинаков, то назначение имеющихся на них клемм также схоже. Для фазы «А» оно выглядит следующим образом:
- Контакт К1 нужен для того, чтобы подключать к счётчику токовый провод и один конец катушки напряжения трансформатора;
- Клемма К2 предназначена для подключения нагрузки к данной фазной линии;
- Контакт К3 используется для подсоединения второго конца обмотки напряжения ТТ.
Таким же образом к счётчику подключается вторая фаза «В» (посредством клемм К4, К5 и К6), а также третья – «С» с контактами К7, К8, К9.
Обратите внимание! Клемма К10 – общая нулевая, относительно её на К1, К4 и К7 счётчика поступают фазные напряжения со следующими тремя обозначениями: «А», «В» и «С». К недостаткам совмещённой схемы следует отнести большую погрешность измерения потребляемой мощности, а также невозможность выявления пробоя в обмотках трансформатора. К недостаткам совмещённой схемы следует отнести большую погрешность измерения потребляемой мощности, а также невозможность выявления пробоя в обмотках трансформатора
К недостаткам совмещённой схемы следует отнести большую погрешность измерения потребляемой мощности, а также невозможность выявления пробоя в обмотках трансформатора.
На практике чаще всего применяется более простая схема подключения электросчетчика, согласно которой осуществляется совмещённое подсоединение вторичных токовых цепей. Она функционирует следующим образом:
- К токовому контакту счётчика от сетевого автомата подключаются фазные провода. Для упрощения схемы к нему же подсоединяется вторая клемма фазного напряжения;
- Фазный ввод катушки выбираем таким образом, чтобы он одновременно являлся выходом первичной обмотки ТТ. В дальнейшем он подсоединяется к нагрузке через распределительные цепи;
- Начало вторичной трансформаторной обмотки подсоединяется к первому контакту токовой катушки счетчика (по одной из фаз);
- Конец вторичной трансформаторной катушки соединён с концом токовой обмотки подключенного счётного механизма.
Аналогичным образом подключаются все оставшиеся фазы.
Соединение и заземление вторичных обмоток счётчика осуществляется в соответствии с требованиями ПУЭ (они выполняются по схеме «звезда»).
Образование полной звезды
Благодаря такой организации подключения контактов получается семипроводная схема (в отличие от 10-ти контактной). В заключение следует напомнить, что при подключении через ТТ важен грамотный выбор его типа.
Правильно выбрать трансформатор тока, значит, принять в расчет, что максимально допустимое токовое значение во вторичной обмотке не может превышать 40% от номинала, а минимальное – 5%. Все подключаемые к счётчику фазные напряжения должны следовать в определенном порядке, который контролируется посредством специального прибора (фазометра).





