Минимальные требования при проектировании распределительного щита
Помимо важности предварительных расчётов, о которых мы говорили выше, при создании схемы щитка необходимо учитывать некоторые нюансы. В целом, они не требуют неукоснительного выполнения, однако при введении в конструкцию во многом повышают её надёжность и удобство эксплуатации
С одной стороны, нужно стремиться к простоте устройства, с другой, не пренебрегать советами опытных специалистов. В первую очередь это касается разделение подключений на несколько силовых линий. В аварийной ситуации такой подход позволяет быстрее обнаружить место поломки. Важным моментом при нескольких линиях является возможность лишь частичной потери энергообеспечения помещения.
Это правило разделения в полной мере касается и автоматических выключателей. Оптимальное подключение автоматов в распределительном щите выполняется по следующей схеме – каждая комната отдельно. При этом желательно чтобы на линию света и розеток был установлен отдельный автоматический выключатель.

Щиток с цифровыми датчиками Источник электрик-электромонтаж-казань.рф
Основное подключение автоматов в щитке выполняется через один центральный выключатель. Не стоит забывать и о приборах с повышенным потреблением энергии – варочных панелях, стиральных машинах и аналогичных. Все они подключаются в сеть через отдельный автомат.
Монтаж щитка для загородного строения
- Устанавливаем с помощью саморезов Din рейки, на которые будет крепиться все оборудование. Они должны иметь размер 35 мм .
- Приступаем к установке оборудования согласно заранее сделанной схеме и расчетам. монтируем автоматы, УЗО и две отдельные шины, к которым подключается заземление и ноль, устанавливаем прибор учета.
- Подключаем фазные провода, с помощью специальной шины соединяем автоматы. Согласно общим правилам подключения таких устройств, вход должен быть сверху, а выход снизу.
- Монтируем защитные крышки, подписываем для удобства все автоматы.
- Затем их соединяем специальной гребенкой или делаем перемычки из провода. Если вы собираетесь использовать гребенку, то помните, что сечение ее жилы должно быть не меньше 10 мм/кв .
- Заводим провода от потребителей в автоматы.
Узнайте из данного видео, как правильно собрать электрощиток в частном доме на 220 В:
Из следующего видео вы узнаете, как сделать трехфазный электрощиток на 380 В в частном доме:
После того, как вы собрали щиток, не закрывая, включите его на несколько часов, а затем проверьте температуру всех элементов .
Не допустите плавления изоляции, иначе в дальнейшем произойдет короткое замыкание.
При тщательном последовательном подходе и соблюдении правил электробезопасности собрать ВРУ самостоятельно под силу каждому. хотя и придется повозиться. Закончив установку остается лишь дождаться представителей электросетевой компании, которые проверят вашу схему и организуют подключение.
Щитки ЩРН и ЩРВ
Самый популярный электрический щиток представляет собой щит ЩРН или ЩРВ. Эти изделия модульные. Внутри они содержат рейку DIN на которую легко крепятся любые современные аппараты защиты, учёта и распределения электроэнергии. Теперь можно просто купить электрощиток и самостоятельно наполнить его нужными именно вам устройствами.
Комбинация аппаратов с универсальным креплением ограничена только вашими потребностями и финансами. Шиты марки ЩРН можно использовать для двух видов проводки (открытой и скрытой), а вот изделия ЩРВ по краю имеют специальный буртик и используются только для скрытой проводки.
Установка электрощитка абсолютно не сложна, так как обе модели выпускают в двух вариантах: с корпусом из металла или из ударопрочного негорючего пластика. Оба варианта легко крепятся в нишу или на стену и имеют эстетичный внешний вид.

Элементы электрощитка

Квартирный щит состоит из следующих узлов:
- Автоматический выключатель. Двухрядный прибор ставится на вводе и может обесточить нулевой и фазный провод.
- УЗО. Представляет собой реле дифференцированного типа. Необходим для быстрого обесточивания линии при появлении утечки напряжения.
- Дополнительные автовыключатели, контролирующие цепь с мощными приборами – электроплитой, стиральной машинкой, водонагревателем, кондиционером.
- Шины нуля и заземления. Медные планки с диэлектрическим основанием обеспечивают безопасность контакта заземления и рабочей нейтрали.
- Корпус. В нем находятся все узлы. Бывает металлическим, пластиковым. По способу монтажа различают навесные и встраиваемые модели.
- DIN-рейка. Металлическая пластинка, зафиксированная на корпус. К ней специальными крепежными элементами монтируются автоматы.
- Соединительные кабели с сечением, соответствующим показателю мощности оборудования.
Что должно быть в электрощитке
В частном доме электросчетчик устанавливается на столб
Компоновка распределительного щита в квартиру или частный дом бывает нескольких вариантов. Основное различие – наличие счетчика и автомата на вводе. В частных домах счетчики ставятся на столб, а автоматы – на стене. Прибор учета также может располагаться внутри дома, и тогда обязателен щиток.
В многоквартирных зданиях электробоксы устанавливают на лестничной клетке. В данном случае шкаф требуется под УЗО и автоматы. Также разрешена установка внутри квартиры, но для этого нужно компактное и вместительное изделие.
Нюансы выбора модульного оборудования для электрического щитка
Электрическое сопротивление проводов ПУГВ
Перед тем как поставить электрический щиток в квартире, понадобится сделать его схему и согласовать с компанией энергосбыта. На чертеже указывается каждый модуль и его назначение. В процессе подбора устройств нужно учитывать следующие моменты:
- Применение модулей одного производителя и одной серии. В зависимости от изготовителя ширина модулей различается на несколько миллиметров. Разница приводит к несостыковке деталей.
- Сечение монтажного провода ПуГВ подбирается под сечение кабеля ввода. Оптимально – от 4 до 6 мм2.
- Для маркировки нуля, земли и фазы понадобится термотрубка белого, черного, красного (фаза) и черного (рабочий ноль) цвета.
- Шинные гребенки с одной-тремя полосами обеспечат соединение модульных устройств. К гребенкам также понадобятся торцевые заглушки.
- На каждый групповой УЗО понадобится отдельная нулевая шина или кросс-модули с хорошей изоляцией.
- Ограничитель для дин-рейки исключит расползание ряда модулей в стороны.
- Заглушки применяются для закрытия образовавшихся полостей в щитке.
№2. Основные виды распределительных щитов
Распределительный щит может отвечать за безопасную подачу электричества в квартиру, на этаж или на большое здание. В зависимости от масштаба зоны обслуживания электрощитки делятся на такие виды:
- главный распределительный щит (ГРЩ) находится во главе иерархии, устанавливается на трансформаторных подстанциях и на крупных производствах. Он, как правило, отличается внушительными размерами, отвечает за электроснабжение целого объекта, защищает от перегрузок в сети и коротких замыканий. ГРЩ, равномерно распределяющий электроэнергию по всем помещениям, может автоматически переключаться с основного ввода питания на резервный;
- вводное распределительное устройство (ВРУ) устанавливают на входе силового кабеля в многоквартирные жилые дома, офисные центры, производственные помещения. ВРУ распределяет питающие линии для квартирных и этажных щитков, ведет учет потребленной электроэнергии, срабатывает в случае перегрузок и коротких замыканий;
- аварийный ввод резерва (АВР) используется не везде и предназначен для переключения потребителей с основного источника электропитания на резервный в случае аварии. АВР необходим для больниц и прочих учреждений, где важна непрерывная подача электроэнергии. Иногда такие устройства используют в коттеджах;
- щит этажный (ЩЭ) ставится, в основном, в жилых зданиях для распределения электропитания на 2-6 квартир. В таком щитке выделяется место для модульной автоматики и приборов учета электроэнергии. Может использоваться в административных зданиях;
- щит квартирный (ЩК) располагается на вводе электрического кабеля в квартиру, устанавливается обычно в прихожей, тамбуре, реже – около входной двери. Квартирные щитки знакомы практически каждому, они используются для защиты от коротких замыканий и перегрузок, распределения групповых линий питания и учета электроэнергии. О выборе распределительных щитков данного типа и пойдет речь.
Среди других видов отметим щиты освещения (ЩО), которые необходимы для редких выключений и включений автоматики, такие устройства защищают от перегрузок, используются в общественных и торговых зданиях. Щит управления (ЩУ) также устанавливают в административных зданиях для управления вентилирующим, отопительным оборудованием и сигнализацией. Щит автоматики (ЩА) необходим для управления программными контроллерами систем вентиляции, отопления и т.д. Есть еще щиты бесперебойной подачи питания (ЩБП), которые устанавливают при подключении вычислительного и медицинского оборудования, требующего постоянной подачи электроэнергии и чувствительного к перепадам напряжения.
Зарядные устройства
Опытные автомобилисты рекомендуют устанавливать модели щитов, к которым можно подключать зарядное устройство для подзарядки автомобильного аккумулятора. К особенностям таких распределительных щитков относят следующее:
- Они должны быть силового типа, так как такое оборудование может правильно работать с зарядными приборами.
- Необходимо выбирать щиты, работающие с нагрузкой 2 А. Этого достаточно, чтобы обеспечить стабильное напряжение в 220-250 В.
- При установке электрического щита и распределении по помещению проводки придется следить за тем, чтобы не было скрутки. Специалисты советуют пользоваться клемниками, которые не только предотвратят появление скруток в проводке, но и сделают контактные соединения более надежными.
Среди преимуществ трансформаторов, которые могут работать с зарядками, выделяют:
- Возможность использования гальванического типа развязки. Это позволяет разделить напряжение в сети на вторичное и первичное.
- Увеличение выходной мощности при серьезных нагрузках. При подключении зарядных приборов трансформатор увеличивает мощность.

Какие электроприборы должны находиться в щитке
В зависимости от того, квартира это или частный дом, электро-щитки могут устанавливаться по-разному, в зависимости от того, где установлен счетчик и вводной автомат. В наше время, счетчик и вводной автомат, если взять частный дом, устанавливаются снаружи, в удобном для контроля месте. Щиток же устанавливается внутри дома, где удобно осуществлять контроль за электроосвещением и работающими электроприборами. Несколько десятилетий назад и счетчик, и защитные «пробки» устанавливались в доме, что было крайне неудобно для контролирующих организаций. Им приходилось заходить в частные дома, что не очень нравилось хозяевам. Теперь же, когда счетчик располагается на улице, удобно и контролировать, и снижать показания.
К сожалению, не везде и не всегда возможен подобный вариант. В таком случае, счетчик ставится в квартире в щитке, где расположены и автоматы выключения. Поэтому, при установке щитка необходимо учитывать габариты счетчика и количество выключателей.
В многоквартирных домах, как правило, счетчики и вводные автоматы расположены на лестничных площадках, в специальных электро-щитках, куда помещается сразу несколько счетчиков, обслуживающих несколько квартир. При этом, никаких щитков в квартире не предусмотрено, особенно, если квартира не современной планировки. В случае ремонта в квартире, электро-щиток просто необходим, так как это позволит разделить электропитание практически всех комнат, что делает их независимыми. Это особенно актуально в случае какой-либо аварии, когда можно отдельным автоматом обеспечить данную линию и проводить ремонтные работы. При этом, в остальных комнатах все электроприборы будут функционировать, как и прежде.
С электричеством шутки всегда заканчиваются плачевно, поэтому, вопрос безопасности должен стоять на первом месте. Существует такое устройство, как УЗО – устройство защитного отключения (фото выше №3 ), которое необходимо установить перед автоматами, которые распределяют нагрузку в квартире. Это устройство защищает линию, даже если такие утечки минимальные, что снижает к минимуму поражение электротоком. УЗО включается следующим образом: фаза подключается на входы автоматов, а нулевой провод соединяется с нулевым общим проводом. Автоматы так же имеют встроенную защиту от превышения нагрузки и от коротких замыканий.
Еще один интересный прибор, без которого порой совсем не обойтись – это стабилизатор. Ни для кого не секрет, что качество электроснабжения у нас отвратительное: напряжение постоянно «скачет» от 160 V до 280 V, что негативно сказывается на работе некоторых электроприборов, работа которых управляется микропроцессорами. В связи с этим, такая техника, как компьютеры, стиральные машины, холодильники, аудио и видео комплексы требуют стабильного напряжения. Если что-то случится, то их ремонт может дорого обойтись, поэтому, лучше перестраховаться и приобрести стабилизатор не на всю квартиру, а только на ответственные бытовые приборы. Естественно, что об этом следует подумать заранее и объединить ответственные розетки питания в одну группу.
Стабилизатор можно установить, как на одну, так и на несколько групп, если включить его перед автоматами. При этом, нужно тщательно рассчитать необходимую мощность и позаботиться о запасе мощности хотя бы в 20 %, чтобы стабилизатор не перегревался
При этом, следует взять во внимание тот факт, что размеры стабилизатора не позволят поместить его в щиток, а это означает, что стабилизатор придется устанавливать отдельно и об этом необходимо позаботиться заранее
В электро-щитке располагается 2 шины: шина заземления и шина зануления. К шине заземления подключаются все провода, соединенные с заземлением приборов и устройств. На шину зануления подключается провод от УЗО (нулевой). Нулевая линия всегда обозначается буквой «N» и при разводке к нему подключаются все белые или зелено-желтые провода, а фазный провод всегда красный или коричневый. Именно поэтому, для разводки желательно применять разноцветные провода, чтобы потом не пришлось вызванивать каждый провод. Это особенно актуально для тех, кто делает это первый раз: можно накрутить такое, что потом несколько дней специалистам придется разбираться.
Все автоматы в щитке соединяются параллельно, а точнее, верхние клеммы, куда подается фаза. Нижние же клеммы подключаются каждый к отдельной линии, которые питают отдельные комнаты.
Вариант DIN-реек в корпусе щитка
УЗО и автоматы крепятся на специальную DIN-рейку, с помощью защелок, поэтому проблем с установкой подобных аппаратов не должно быть никаких.
Соединительная гребенка для автоматов в электрощите
Как собрать электрощит своими руками
Watch this video on YouTube
Рекомендации по сборке электрощита
Выбрав необходимый по конструкции распределительный щит, можно переходить этапу проектирования и подбора соответствующей автоматики. При этом следует учесть и в дальнейшем придерживаться следующих рекомендаций:
- Щит должен заполняться в соответствии с проектной документации. Допустим, положено десять автоматов, счетчик и восемь УЗО. В таком случае характеристики приобретаемого электрощита должны позволять уместить данное количество блоков. Небольшой резерв приветствуется.
- В дальнейшем ориентировании по схеме поможет маркировка групп элементов бирками.
- Придерживайтесь цветового единства жил провода. Для фазных проводников предпочтительными цветамиявляются черный, коричневый и серый. Проводник заземления обычно имеет желто-зеленый цвет. Ноль (нейтраль) имеет синий или голубой цвет.
- На каждую из клемм клеммной колодки подключайте по одному проводу. Монтаж нескольких жил в одно гнездо ухудшит фиксацию и со временем контакт может пропасть.
- Для удобства подключения автоматики можно воспользоваться специальными шинами (гребенками).
Схема Подключения Щитка В Квартире
Для этого используют или картонную заглушку, которая идет в комплекте со щитом, или самостоятельно вырезанную крышку.

Не стоит экономить на этом изделии. Первым делом необходимо выяснить, какая в доме система электроснабжения, затем разбейте все точки потребления электричества на несколько категорий.

После этого, если есть такая необходимость, делайте нишу под щиток, ну, а коль нет, то просто просверлите отверстия под крепеж и повесьте его на стену. Монтаж электрического щита

Если у вас эл. В пластиковом или металлическом боксе такие шины устанавливаются в свободное место на изолирующие подставки.

Корпус электрощита. Схема щитка выполнена для трехпроводной электрической сети.
Обесточивает электропроводку буквально за миллисекунды после регистрации утечек напряжения, например, при замыкании нулевого провода на землю.
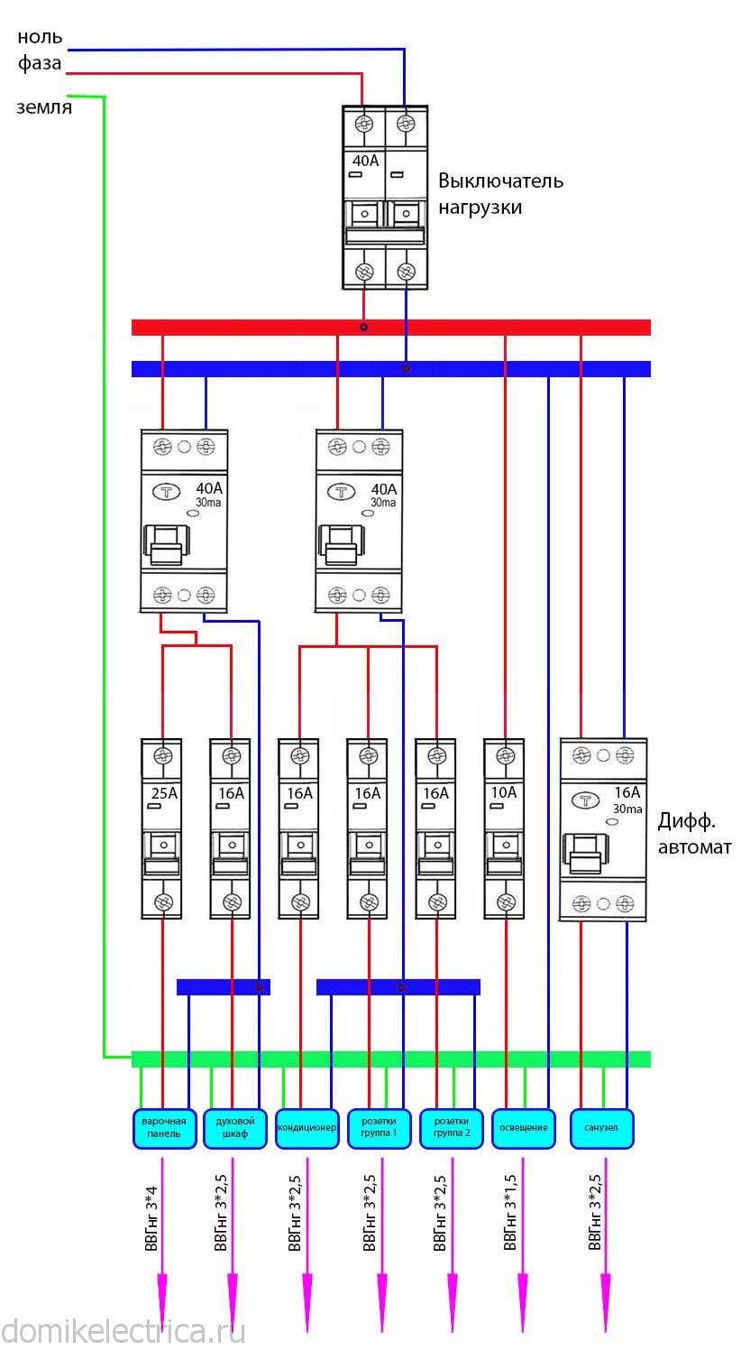
Итак, к Вашему вниманию схема распределительного щита для квартиры улучшенной планировки: При таком количестве потребителей электричества должна быть трехфазная сеть в и на вводе, соответственно, трехполюсный автоматический выключатель на 63 Ампера. Однако гораздо удобнее, когда они располагаются друг за другом в такой же последовательности, что и на схеме.
Нужные отверстия выдавливаются по перфорированным линиям.

Как собрать щиток для квартиры. Электрощит для квартиры своими руками. Один из вариантов
Сборка электрического щита
Когда схема щитка создана, а электрические провода проложены по квартире, переходят к сборке щитка. При желании, можно заказать подготовленный щит, который останется только установить и подключить входной кабель.

Разметка и установка DIN-реек
Вначале производят разметку, где будут стоять модули, какой длинны необходимы рейки. В процессе примерки также учитывают расстояние между рядами, если их несколько, а также отдаленность шины нуля и заземления. Когда разметка готова, рейки устанавливают на необходимые места.
Монтаж и коммутация модульных устройств
На этапе монтажа модульных устройств выполняют установку автоматов и дополнительных приборов на DIN-рейку. Также производится их подключение между собой. В первую очередь, устанавливают вводной автомат, затем реле напряжения, УЗО и диффавтоматы, которые стоят перед обычными выключателями.
Организация ввода кабелей в электрический щиток
На этапе ввода кабелей необходимо проделать отверстия в щитке. Как правило, все места для ввода предусмотрены производителем, поэтому достаточно выдавить пластик. С одной стороны заводится кабель общей сети, который подключается к входному автомату, а с другой — провода внутренней сети.

Выбор места установки
В большинстве квартир щит устанавливают поближе к входной двери. Это не обязательное требование, главное соблюсти ряд рекомендация:
- быстрый доступ для включения или отключения напряжения;
- отдаленность от горючих и пожароопасных материалов;
- естественное освещение помещения, где установлен щиток, является преимуществом при ремонтных работах.

Разделка кабелей
Для разделки кабеля используют специальный инструмент, предназначенный для снятия изоляции. Как правило, профессиональные электрики используют клешни или нож с пяткой. Оборудование увеличивает скорость работы с кабелем. При разделке снимают внешнюю оболочку, а затем нужное количество изоляции с каждой из жил.
Подключение групп потребителей
При монтаже модули группируют в зависимости от разных факторов. К примеру, по назначению или помещению. Автоматы для освещения квартиры устанавливают поочередно, после чего монтируют защитные устройства для кухни, ванной и других комнат.
Размер щитка
Для того чтобы определиться с размером щитка, необходимо подсчитать сколько автоматических выключателей, дифавтоматов, отсекателей, УЗО и т.п. будет расположено в щитке, то есть должна быть предварительно нарисована схема электрощитка.
При расчётах нужно руководствоваться следующими параметрами: один «автомат» занимает один модуль, один дифавтомат – 1 или 2 модуля (в зависимости от марки), счётчик однофазный – от 1 до 5 модулей, трёхфазный – до 9 модулей. И желательно оставить запас в виде нескольких посадочный мест (на всякий случай).
Максимально количество модулей доходит до 36 (несколько рядов для трёхфазной проводки коттеджа). Щитки от 6 модулей имеют не только рабочую (N), но и нулевую шину (PE). Пластиковый электрощиток снабжён прозрачной дверцей, что удобно при снятии показаний счётчика.
Ну, вот вроде и всё, что необходимо знать при выборе электрощитка для квартиры и его монтаже. Успехов вам и не забывайте отключать электричество при электромонтажных работах!
Как монтируется этажный электрощит
Конечно, Вам не придется монтировать этажные электрощиты. Достаточно разобраться, как он устроен и где какие клеммы в нем предусмотрены. Рассмотрим устройство старого и нового этажных щитов.
Старый этажный щит
Рассмотрим, более менее, стандартный электрощит старого образца ( смотрим фото), в нормальном состоянии.

Этажный щит на фото, предназначен для четырех квартир. Он разделен на четыре части.
Для каждой квартиры устанавливается вводной автоматический выключатель и группа автоматов для защиты групповых цепей квартиры. Группа крайне правых автоматов должна принадлежат крайне правой квартире на этаже.
Вместо автоматических выключателей в этажном щите можно установить комбинированные расцепители (дифференциальные автоматы). Они должны иметь класс B или C и иметь коммутационную способность не менее 3000 Ампер. Напомню, коммутационная способность это способность прибора работать после короткого замыкания в 3000 Ампер. То есть, в цепи было КЗ с током 3000 Ампер и автоматический выключатель выбило. После этого вы взводите рычаг автомата и он работает далее.
В системах заземления TN-C-S и TN-S в этажном щите предусмотрены две шины (зажима). Одна шина для подключения нулевых рабочих проводников (N) и отдельная шина для подключения проводов заземления (PE).


В сетях TN-C в этажном щите должна быть предусмотрена отдельная шина для разделения нулевого защитого проводника (PEN) на нулевой рабочий (N) и защитный (PE) проводники.

Однако, как правило, такой шины нет. Разделение происходит проще. В щите если нулевая рабочая шина, а заземление подключается отдтельно от этой шины, можно сказать в стороне, на корпус щита или на металлическую платформу щита.
Важно! В системе TN-C нельзя подключать рабочий ноль (N) и защитный провод (PE) под одну клемму. Это разные проводники, хотя может показаться, что это одно и то же, ведь они «замкнуты» через корпус щита. В завершении замечу:
В завершении замечу:
- Желательно чтобы в этажном щите, на дверце была приклеена схема щита;
- Желательно, чтобы провода были промаркированы;
- Желательно соблюдать цветность подключения проводов ( синий –рабочий ноль, желто-зеленый – защитный проводник).
Подключение электроэнергии
- Подключение 220 вольт к дому
- Подключение 380 вольт к дому
- Провести электричество в дом
- Трубостойка под ключ
- Подключение электричества к дому
- Трехфазный ввод электричества в дом
- Подключение электричества на даче
- Ввод электричества в дом
- Ввод электричества в квартиру
- Воздушный ввод электричества в дом
- Установка трубостойки для ввода электричества
- Выполнение техусловий МОЭСК
- Подземный ввод электричества
- Вынос электросчетчика на столб
- Замена электрического ввода
- Установка трансформатора в СНТ
- Строительство ВЛ электропередач
- Электричество в доме
- Электрический столб на участке
- Установка солнечных батарей
- Аренда автовышки
Вариант упрощенной схемы квартирного щитка
Простая схема квартирного электрощитка
Самостоятельно можно собрать небольшой электрощиток и установить его в квартире. Чтобы не запутаться, стоит выбрать максимально простую схему. Она должна соответствовать требованиям ГОСТ 32395-2013.
Представленную ниже схему электрического квартирного щитка целесообразно применять для одно- или двухкомнатной квартиры с общей длиной кабелей 300-400 м. Работы осуществляются так:
- Ставится вводный выключатель напряжения с токовым номиналом от 40 А, если в квартире однофазный тип нагрузки и есть электроплита.
- Производится разводка проводов на группы, указывается марка и тип сечения кабеля. Для освещения оптимальным будет кабель 1,5 мм2 и автомат на 10 А, для розеток подойдет провод 2,5 мм2 и прибор на 16 А.
- Санузел можно подключить на дифавтомат с токовой утечкой 10 мА, совместив потребителей и освещение в одну группу.
- Варочную панель и духовку запитывают как два разных потребителя.
- Для защиты от колебаний напряжения и неисправности оборудования можно выбрать реле напряжения с простейшей системой подключения (на входе и выходе фаза+ноль).
Преимущество схемы состоит в недорогой себестоимости узлов, возможности применения в маленькой квартире. Минус расключения – отсутствие срабатывания защиты при токовой утечке во всех группах, за исключением санузла.
Выводы и полезное видео по теме
Видеоролик, показывающий работу по сборке электрощитка «с нуля», – действенная помощь начинающему электрику.
Рекомендуется ознакомиться с видео-инструктажем, чтобы таким способом существенно обогатить личную копилку знаний:
https://youtube.com/watch?v=6E4qysmyZww
Соорудить электрический щиток своими руками вполне допустимо. Другой вопрос – есть ли в этом смысл, если учитывать разнообразие уже готовой продукции, присутствующей на рынке. Подобрать можно ящик любой конфигурации – под самые разные строительные проекты.
Но чтобы качественно и правильно выполнить сборку щитка, включая монтаж автоматов, счетчика, выключателей и прочего оборудования, нужны знания и немалый электромонтажный опыт.
Как рассчитать количество мест в электрощите
Рациональный подход при проектировании распределительного щита, в первую очередь, подразумевает грамотный расчёт количества мет под устанавливаемое оборудование. На практике в этом нет ничего сложного, поскольку все современные компоненты электрических щитов имеют строго унифицированные размеры.
За единицу измерения здесь считается один модуль. Эта площадь равна месту, которое занимает автоматический выключатель с одним полюсом. Его ширина равняется 17 с половиной сантиметров. Данный стандарт является международным и подходит для любых современных электротехнических компонентов.
Для удобства проведения расчётов предлагаем вам таблицу с основными компонентами, которые могут потребоваться в распределительном щите.
Таблица размеров модулей:
Пример простого расчёта для распределительного щита
Для практического понимания, как проводятся подобные расчёты, приведём небольшой пример для простого щитка распределения в квартире или частном доме.
На рисунке размещена схема, в которую включён счётчик электрической энергии. По условиям нашей задачи ввод основной линии выполнен при помощи кабеля ВВГнг сечением – 3*6 квадратных миллиметров. Теперь проведём подсчёт установленных в щите модулей и занимаемого ими места:
- на входе автоматический выключатель с двумя полюсами = 2 модуля;
- далее установлен счётчик электроэнергии = 6 модулей;
- после счётчика два УЗО = 4 модуля;
- автоматические выключатели с одним полюсом в количестве шести штук = 6;
- нулевые шины, предназначенные для двух УЗО = 2.
Подведём итоги суммировав все модули и получим – 20 мест и это для простейшего щита распределения. Поскольку все специалисты рекомендуют закладывать в расчёты определённый запас, на случай установки дополнительных компонентов, понимаем, что корпус для щитка надо приобретать, как минимум, на 24 места. Желательно это значение увеличить до 40, чтобы впоследствии не столкнуться с проблемой нехватки места.
Схема небольшого щита распределения.
Несколько слов про УЗО
При проектировании и монтаже важно помнить ещё об одном моменте – включение в схему УЗО. Эта аббревиатура расшифровывается как – устройство защитного отключения
Как и автомат УЗО является устройством защиты, но намного более чувствительным.
Автоматические выключатели рассчитаны на работу с короткими замыканиями в сети. Ток при таких нагрузках может достигать сотен ампер. Однако даже пара десятков миллиампер могут пагубно сказаться на человеческом здоровье. УЗО защищают именно от таких неприятностей.
Например, ребёнок засунул в розетку посторонний предмет, и ток будет мгновенно отключён. Плюс к этому необходимо добавить вид заземления в квартире. Уже повсеместно используется система с тремя фазами и нолём (международный стандарт TN-C). УЗО в такой системе является единственной и надёжной защитой от перегрузок.





