Требования, предъявляемые к помещению для газовых котлов
Газовые котлы могут быть установлены в чулане, кухонном или подвальном помещении, специальном пристрое. К помещению, в котором выполняется установка газовых котлов в частном доме, предъявляются определенные требования. Они одинаковы для любого помещения и заключаются в следующем:
- Помещение должно быть хорошо вентилируемым, с обязательным оснащением вытяжкой.
- В окнах должны быть предусмотрены форточки, в нижней части двери – небольшой зазор.
- Высота потолка – от 250 см. объем помещения – от 15 м2. Каждая единица мощности газового котла требует дополнительного объема (0,2 м2), чтобы можно было свободно подойти к котлу для обслуживания.
- Стены. отделяющие помещение с установленным котлом от других, необходимо выполнить из огнестойких материалов, не поддерживающих горения.
- В подвальном или цокольном помещении должен быть предусмотрен отдельный выход на улицу.
- Пристрой должен размещаться только у глухой стены жилого дома. Минимальное расстояние до ближайшего окна – 4 м. высота от перекрытия до окна – 8 м.
Нормативные правила установки котла на газе
Схема газового котла
Схема газового котла
Такое оборудование классифицируется как возможный источник возникновения пожара или взрыва, поэтому его относят источникам повышенной опасности. По этой причине монтаж котлов должен проводится в полном соответствии нормативным документам, которые утверждены и зарегистрированы в законном порядке.
Перед монтажом стоит ознакомиться с документацией, ведь процесс непосредственного подключения к водо- и газопроводным магистралям осуществляется только при наличии разрешающей документации и людьми, получившими специальные разрешения на такой вид деятельности
Для полной осведомленности в особенностях подключения и важности его выполнения согласно установленных норм, стоит внимательно ознакомится с требованиями, которые выдвигаются уполномоченными государством органами к установкам газового типа
Схема установки газового котла
Для получения полной информации изучите СНиП:
- 42-01-2002 ,
- II-35-76,
- 2.04.08-87 (немного устарел, но содержит много полезных данных),
- 21-01-97,
- 41-01-2003,
- 2.04.01-85.
Только детальное ознакомление с перечисленными документами может сформировать полную и реальную картину требований к казовым агрегатам, которые следует выполнять.
Обвязка двухконтурного котла отопления
Естественная циркуляция прекращается, как только агрегат теплоноситель выходит из строя. Соответственно, каждый раз, при отключении котла, требуется какое-то время, чтобы возобновить теплопередачу. С другой стороны, в таком случае вы не зависите от электричества, перебои которого в нашей стране, особенно на праздники, встречаются достаточно часто.
Для одноэтажных зданий используют однотрубную схему, именуемую в народе «Ленинградка». Радиаторы монтируются параллельно, дабы не рассекать трубы подачи теплоносителей. Каждый из приборов оснащается кранами Маевского, позволяющими стравливать воздух и исключающими избыточное давление. Также необходимо устанавливать балансировочные дросселя.
Подключение происходит диагональным или ближним методом. Двухконтурные котлы в зданиях с более чем 2-мя этажами следует монтировать с использованием двухтрубной схемы. Подающую трубу ставят под чердак или потолок на последнем этаже, а затем вертикально спускают к первому. К ней уже подключают радиаторы, и по такой магистрали уже охлаждённая вода будет возвращаться к котлу.
Принципы выбора двухконтурного котла. Особенности установки
Наиболее популярным считается двухконтурный. Этот тип котла позволяет создать тепло не только в трубах, но и сможет нагреть воду. При покупке данного оборудования обязательно необходимо учитывать не только мощность, теплообмен, сервис котла, но и как будет происходить установка. Существует два известных способа – настенный и напольный.
Прежде чем выбрать вид установки, важно ознакомиться с внутренним устройством котла, который, прежде всего, оснащен автоматическими функциями. Это очень удобная функция всегда сможет обеспечить безопасность работы и оградить от каких либо сбоев. Также автоматическая функция позволяет вносить изменения в работу котла самостоятельно его владельцем
Также автоматическая функция позволяет вносить изменения в работу котла самостоятельно его владельцем.
Пожарная безопасность
Территория топочной должна содержаться в чистоте, внутри помещения должно иметься достаточное искусственное освещение, чтобы хорошо осветить рабочие и общественные места. В таких помещениях запрещается хранение любых огнеопасных материалов. При замерзании труб отогревать их разрешается только паром или горячей водой. Применение открытого пламени запрещено.
Особые требования предъявляются к эксплуатации и содержанию дымовентиляционных систем, они должны проверяться и чистится с периодичностью:
- Ежегодно в августе – очистка дымовых каналов от сажевых загрязнений, проверка тяги.
- Ежеквартально — очистка кирпичных дымоходов.
- Ежегодно осматривают на целостность вентиляционных каналов.
Входные двери топочной должны открываться наружу. Окна — обязаны иметь легко удаляемые пакеты. На входе газопровода в топочной устанавливают защитный электромагнитный клапан, пожарную сигнализацию и датчики загазованности помещений.
Отличие оборудования
Два затронутых выше варианта котлов (одноконтурный и двуконтурный) являются всего лишь укрупненными характеристиками широкого ассортимента газового оборудования. Они взяты в пример в связи с тем, что установка такого газового котла может быть выполнена своими руками. Другие же варианты газовых обогревательных устройств потребуют привлечения профессионалов. Благо сейчас найти специалиста для монтажа не составить труда. Они и комнату подготовят, и документацию оформят.
Котел для ГВС
Подобное оборудование часто называют «водогрейка». По своей сути они на самом деле простые по своей конструкции. Кроме теплообменника и горелки ничего и нет. Для работы следует подвести к нему газовый и водяной шланг, а также оборудовать дымоход. Все больше ничего не потребуется. Конечно же, не нужно забывать об оформлении разрешительной документации на подключение газового котла. Иначе имеется риск получить серьезный штраф.

Котельная для дома
Двухконтурное газовое оборудование с автоматикой выпускается настолько проработанным, что процесс монтажа является точно таким же, как и у простой водогрейки. Наличие автоматического регулирования обусловлено не только легкостью установки и монтажа. Она способна контролировать окружающую температуру и регулировать по необходимым установкам. Во время работы подобного котла расходование газа может быть снижено до 70%.
Но монтаж газового котла такого типа обладает значительным недостатком. Если будет нарушаться электроснабжение дома, то котел работать не станет. Одновременно с ним перестанет работать и циркуляционный нанос, при его наличии. Придется позаботиться о дополнительном резервном электроснабжении. Как правильно подобрать электрогенератор можете посмотреть здесь.
Напольные
В целях экономии хозяева сами пытаются разобраться в том, как установить напольный газовый обогревательный котел в одноэтажном деревянном доме. Базовые требования включают в себя следующие пункты:
- Укрепление места, где будет расположен котел. Лучше всего сделать стяжку или аккуратно уложить плиты из бетона.
- Между котлом и поверхностью стены оставляется зазор минимум 15 см.
- Если основание дома не огнеупорное, тогда необходима дополнительная обшивка металлическим листом. Лучше всего изолировать стены кровельной сталью, которую накладывают на лист из асбеста шириной минимум 30 мм.
- При помощи строительного уровня оценивается состояние пола, так как поверхность под котлом должна быть идеально ровной.
- Подключение дымохода запрещено без предварительной проверки тяги.
- Монтируются фильтры, которые не задерживают мусор на входе в теплообменник.
- На финальном этапе подготовленный двухконтурный котел присоединяется к водопроводным трубам.
В видеоролике представлена актуальная информация об установке котла:
https://youtube.com/watch?v=-X-FrOurZrk
Правила установки газовых котлов в частном доме
Помещение
- Для газового оборудования должно быть отведено отдельное помещение (топочная, или котельная). Котельную можно устроить на любом этаже, и даже в подвале или на чердаке. Запрещено устанавливать котел в жилых помещениях, санузлах и ванных комнатах.
- Площадь котельной должна быть не меньше 4 квадратных метров при мощности котла до 30 кВт. Такая мощность, как правило, покрывает все потребности частного дома. При установке котла больше мощности площадь помещения должна быть больше: от 31 до 60 кВт — 13,5 кубических метров, от 61 до 200 кВт — 15 кубических метров. Бывают котлы с замкнутой камерой сгорания, для них метраж не регулируется, но минимальный все равно должен быть соблюден.
- Высота потолка котельной должна быть не менее 2,5 метра.
- В котельной должно быть окно, которое открывается. На 10 квадратных метров помещения должно приходится 30 сантиметров окна.
- Ширина двери в котельную должна быть не менее 80 сантиметров.
- Между дверным проемом и верхним краем двери должен быть зазор не менее 2,5 сантиметра.
- Недопустима отделка помещения какими-либо горючими материалами.
- Недопустимо наличие фальшпотолка или фальшпола.
- В котельную должен быть обеспечен естественный приток воздуха. На каждый 1 кВт мощности газового котла должно приходиться 8 квадратных сантиметров отверстия для притока воздуха.
- В помещение, где будет устанавливаться газовый отопительный прибор, должна быть проведена вода.
- Помещение, где расположен котел, должно быть сухим, так как повышенная влажность препятствует выходу паров газа.
- Вентиляция монтируется в верхней части помещения.
Требования к деталям и частям оборудования
- К котлу должен быть свободный доступ с любой стороны.
- Газовые трубы должны быть только из металла.
- Газовый счетчик обязателен.
- Котел должен быть заземлен. Заземления не требуют только аппараты, не использующие в своей работе электроэнергию, но такие сейчас почти не выпускаются.
- Вместе с аппаратом должны устанавливаться газоанализатор (он предупредит о возможной утечке газа) и автоматический клапан (он перекроет подачу газа при утечке).
Газоотводы (или, как их часто называют, дымоходы)
- Ход для отведения продуктов горения должен быть отдельным от обычного дымохода.
- По горизонтали его длина в котельной не должна превышать трех метров.
- Газоотвод может иметь не более чем 3 колена.
- Диаметр газоотвода и мощность котла должны соответствовать (при мощности до 30 кВт D=130 мм., при мощности 40 кВт D=140 мм.)
- Диаметр газоотвода не должен быть меньше диаметра отверстия для подключения газохода.
- Внешний конец газоотвода должен быть выше уровня конька крыши как минимум на полметра.
В современных котлах с закрытой камерой сгорания сейчас используются так называемые коаксиальные дымоходы, которые продаются и устанавливаются вместе с прибором отопления. При установке таких котлов не важны и габариты комнаты, так как воздух для горения поступает не из нее, а с улицы.
Эти общие требования могут немного отличаться в разных регионах, они постоянно дорабатываются и уточняются. Кроме этого, бывают нюансы, что газоснабжение в доме не центральное, а баллонное. При этом правила и требования установки газового котла будут отличаться некоторыми особенностями. Есть разница и в том, из какого материала построен дом, каковы перекрытия. Чтобы не возникло проблем на стадии согласования проекта, лучше пригласить специалиста и заранее осмотреть дом на предмет возможных недостатков.
Какие действия необходимо предпринять для получения разрешений на установку газового котла:
- В организацию, снабжающую газом ваш населенный пункт, нужно написать заявление, чтобы получить так называемые технические условия. Фактически это документ, разрешающий подготовительные строительные работы. Процедура получения длится, как правило, от недели до двух.
- Затем нужно заказать и получить проект. Проект изготавливает инженер, у которого есть лицензия на данный вид деятельности.
- Проект надо отдать в газоснабжающую организацию на согласование. Вместе с проектной документацией и заявлением подаются документы на котел (техпаспорт, сертификат соответствия и другие документы по требованию газовиков). Согласование длится от недели до трех месяцев.
Согласованный проект и является разрешительным документом для установки газового котла.
Правила обустройства помещения для котельной

Для помещения котельной необходимо, чтобы оно соответствовало следующим характеристикам:
- высота стен – не менее 2,5 метра;
- наличие комфортного доступа к прибору для обслуживания его и вспомогательного оборудования;
- объем помещения – не меньше 15 м³;
- ширина дверного проема – минимум 80 сантиметров;
- предельная степень огнестойкости – от 0,75 часа и более;
- обеспечение доступа в топочную комнату естественного освещения;
- наличие окна, минимальная площадь которого рассчитывается с учетом того, что на 1 м³ объема помещения требуется 0,03 м² площади оконного проема;
- необходимо наличие вентиляционной решетки, расположенной в нижней части двери или стенки, ведущих в соседнюю комнату. Ее площадь вычисляют по следующей формуле: 8 см²/ на 1 кВт мощности агрегата;
- обязательно наличие газоанализатора и клапана, в автоматическом режиме перекрывающего подачу газа при возникновении утечки.
Установка газового котла с двумя контурами
В большинстве случаев установку этого котла выполняют специалисты газовой службы. Однако этот процесс стоит денег. Поэтому монтаж и подключение двухконтурного газового котла к отопительной системе часто решают осуществить владельцы домов. Современные правила позволяют выполнять такие действия. Правда, при этом нужно соблюсти ряд требований, а также не браться за подключение к газопроводу.
Весь процесс установки двухконтурного газового котла в доме можно разделить на такие этапы:
- Монтаж на стену или пол.
- Подключение системы отопления и системы ГВС.
- Подключение к газопроводу.
Двухтрубная с горизонтальной схемой
Отопление на две трубы в горизонтальном виде – схема для крупных помещений. Радиаторов на этаже больше десяти.
Магистрали подсоединяются к приборам параллельно. Сточная (обратная) расположена на уровне пола. Подача врезается в батарею сверху, разводка проходит под подоконником, потолком.
Не требуется разгонный стояк. Техническая вода отопления поднимается на высоту от котла, за счет давления внутри схемы.
Необходимы расширительный бак, стояки для перекрытия, предохранительные клапаны. Мембраны для двух труб с циклом на самотёке – неудачная мысль.
Проблему представляет скрытие разноуровневых магистралей с глаз. Придется подумать, как вернуть помещению вид. Работать будет исправно.
Установка газового котла в объединенных кухнях
В современном строительстве активно практикуется обустройство квартир-студий или планировок, при которых гостиная и кухня объединяются в одно большое пространство. Конечно, у такого решения есть масса достоинств – например, появляется большая часть свободного пространства, отлично подходящего для реализации всевозможных дизайнерских идей.
Проблема в том, что газовыми службами подобные планировки расцениваются как жилые, поэтому установка любого газового оборудования в них запрещена. В студиях эту проблему решить не получится, а вот при объединении гостиной с кухней возможны варианты.

Что надо знать о вентиляции котельной?
Работающему котлу для поддержания процесса горения нужен кислород, и его приходится брать из воздуха. Необходимо также не дать угарному газу накапливаться в помещении котельной и проникать в дом. Притоку свежего воздуха в помещение котельной по отношению к оттоку положено быть троекратным.
В котельной надо сделать приточную и вытяжную вентиляцию. Для естественного вентилирования котельной в противоположной от котла стене прорубается канал диаметром 13-15 см при мощности котла до 35-40 кВт и 17 см при большей мощности. В него вставляется вентиляционная труба, укомплектованная заслонкой и сеточкой.
Естественную вентиляцию котельной легко сделать самостоятельно. Но она не позволяет контролировать приток и отток воздуха, качество вентиляции зависит от погодных условий
Если котельная размещена в обособленном помещении, то подачу воздуха снаружи можно обеспечить через жалюзийные решетки, устанавливаемые непосредственно во входной двери – в нижней ее части.
Норматив на размер приточных отверстий – не менее 8 см2 поперечной площади на 1 кВт мощности котла, если воздушная тяга происходит с улицы. Вентиляцию котельной связывают и с вентиляционной системой всего дома. Если воздух поступает изнутри, размер отверстия надо рассчитывать, исходя из другого норматива – 30 см2 на 1 кВт.
Альтернативой естественной вентиляции или дополнением к ней является принудительная вентиляция. Чтобы сократить потребление электроэнергии, ее подключают к котловому оборудованию – вентиляторы будут вращаться только при работающем котле. В газовой и дизельной котельных вентиляционную систему следует поместить в корпус во избежание воспламенения, взрыва.
Новшеством для тех, кого интересует специфика устройства котельной в частном доме, станут автоматизированные климат-системы. Они поддерживают заданные климатические параметры в помещении в автоматическом режиме и изменяют их при необходимости без участия человека.
Котельная в пристройке с вертикальным дымоходом из стали на естественной тяге. Более долговечной будет керамическая труба. Как вариант можно рассмотреть керамический дымоход в стальном корпусе. Он сохраняет преимущество по долговечности, но более прост в монтаже
Все отопительные котлы оснащены камерой сгорания открытого или закрытого типа. Для оборудования с закрытой камерой сгорания ограничений по объему помещений нет, наличие окна тоже не обязательно.
В первом случае дым отводится наружу посредством естественной тяги через вертикальную дымовую трубу. Часть воздуха из помещения уходит туда же, и поэтому приходится обеспечивать постоянное проветривание помещения.
Во втором случае продукты горения удаляются из камеры принудительно с помощью вентилятора через особый двойной дымоход – коаксиальный. В нем одна труба вложена в другую. По внутренней движется дым, по внешней в обратную сторону поступает необходимый для поддержания горения воздух.
Длина обычного вертикального дымохода – не менее 5 метров. Его конец должен выступать за пределы верхнего конька крыши, и не всегда технически возможно соорудить под него сквозную шахту
Дымоход по принципу «труба в трубе» более короткий и может быть направлен горизонтально. Для обоих типов дымоходов важно, чтобы площадь сечения дымовой трубы была не меньше площади сечения патрубка, к которому она подключается. И, наконец, несколько слов о конструкции горелок. Они бывают атмосферными и наддувными
Устройства первого типа используются только в газовых котлах. Газ в них подается за счет давления, образующегося в газовой магистрали или баллоне. Слышно, как горит пламя, иного шума нет
Они бывают атмосферными и наддувными. Устройства первого типа используются только в газовых котлах. Газ в них подается за счет давления, образующегося в газовой магистрали или баллоне. Слышно, как горит пламя, иного шума нет
И, наконец, несколько слов о конструкции горелок. Они бывают атмосферными и наддувными. Устройства первого типа используются только в газовых котлах. Газ в них подается за счет давления, образующегося в газовой магистрали или баллоне. Слышно, как горит пламя, иного шума нет.
В устройствах второго типа вентилятор смешивает газ с воздухом, чтобы горение было более ровным. С шумом вентилятора приходится мириться. Котлы с наддувными горелками работают и на газе, и на дизельном топливе, для них требуется дымоход меньшего сечения.
В коаксиальном дымоходе воздух с улицы, проходя по трубе, нагревается от внутреннего канала, по которому движутся продукты сгорания. Воздух попадает в топку подогретым, что уменьшает расход топлива и повышает КПД оборудования
Тонкости монтажа газовых котлов
- Основные требования к оборудованию и помещению согласно СНиП:
- Устройство дымохода для газового котла
- Установка настенного газового котла
- Установка напольного газового котла
Установка газового котла в частном доме своими руками многими считается делом сложным, требующим узкоспециальных знаний и сертификации газовщика. Но на самом деле ряд мероприятий по монтажу может проводиться самостоятельно при условии соблюдения норм и правил, предусмотренных законодательством.

Схема конденсационного газового водогрейного котла.
Сертификация, которая пугает многих владельцев газовых котлов, требуется только при проведении работ непосредственно на газопроводе, подведение теплоносителя, воды и электричества к котлу может осуществляться и своими руками.
Где можно и где нельзя ставить газовый котел
Правила установки газового котла предусматривают следующие требования для установки ОТОПИТЕЛЬНОГО котла, независимо от того, обеспечивает он еще и ГВС или нет:
- Котел должен устанавливаться в отдельном помещении – топочной (котельной) площадью не менее 4 кв. м. высотой потолка не менее 2,5 м. В правилах указано также, что объем помещения должен быть не менее 8 куб.м. Исходя из этого, можно встретить указания на допустимость потолка в 2 м. Это неверно. 8 кубов – минимальный свободный объем.
- В топочной должно быть открывающееся окно, а ширина двери (не дверного проема) – не менее 0,8 м.
- Отделка топочной горючими материалами, наличие в ней фальшпотолка или фальшпола недопустимы.
- В топочную должен быть обеспечен приток воздуха через сквозную, не закрываемую продушину сечением не менее 8 кв.см. на 1 кВт мощности котла.
Примечание: 8 кубов свободных – при мощности котла до 30 кВт. Для мощности от 31 до 60 кВт – 13,5 куб.м; для мощности от 61 до 200 кВт 15 куб.м. Для котлов с замкнутой камерой сгорания объем топочной не нормируется, но размеры все равно должны быть соблюдены.
Для любых же котлов, в том числе настенных водогрейных, должны также выполняться общие нормы:
- Выхлоп котла должен выходить в отдельный газоход (часто неправильно называемый дымоходом); использование для этого вентиляционных каналов недопустимо – опасные для жизни продукты сгорания могут попасть к соседям или в другие комнаты.
- Длина горизонтальной части газохода не должна превышать 3 м в пределах топочной и иметь не более 3-х углов поворота.
- Выход газохода должен быть вертикальным и поднятым над коньком крыши или наивысшей точкой фронтона на плоской крыше не менее чем на 1 м.
- Так как продукты сгорания при остывании образуют химически агрессивные вещества, дымоход должен быть выполнен из термо- и химически стойких цельных материалов. Использование слоистых материалов, напр. асбоцементных труб, допустимо на расстоянии не менее 5 м от обреза выхлопного патрубка котла.
При установке настенного водогрейного газового котла в кухне должны быть выполнены дополнительные условия:
- Высота подвески котла по обрезу наинизшего патрубка – не ниже верхушки излива мойки, но не менее 800 мм от пола.
- Пространство под котлом должно быть свободным.
- На пол под котлом должен быть постелен прочный несгораемый лист 1х1 м, металлический. Прочности асбоцемента газовики и пожарники не признают – он истирается, а СЭС запрещает иметь в доме что-либо, содержащее асбест.
- В помещении не должно быть полостей, в которых могут накапливаться продукты сгорания либо взрывоопасная газовая смесь.
Если котел используется для отопления, то газовики (которые, между прочим, с теплосетью не очень-то дружат – она им вечно должна за газ) проверят и состояние системы отопления в квартире/доме:
- Уклон горизонтальных участков труб должен быть положительным, но не более 5 мм на погонный метр по току воды.
- В наивысшей точке системы должен быть установлен расширительный бак и воздушный кран. Убеждать, что вы купите «крутой» котел, в котором все предусмотрено, бесполезно: правила есть правила.
- Состояние отопительной системы должно допускать ее опрессовку под давлением 1,8 атм.
Требования, как видим, жесткие, но оправданные – газ есть газ. Поэтому о газовом котле, даже водогрейном, лучше и не думать, если:
- Вы живете в блочной хрущевке или другом многоквартирном доме без магистрального газохода.
- Если у вас в кухне фальшпотолок, убирать который вы не желаете, или капитальная антресоль. На антресоли с днищем из дерева или ДВП, которое в принципе можно убрать, и антресоли тогда не будет, газовики смотрят сквозь пальцы.
- Если ваша квартира не приватизирована, можно рассчитывать только на водогрейный котел: выделение помещения под топочную означает перепланировку, которую может делать только владелец.
Во всех остальных случаях поставить водогрейный котел в квартире можно; отопительный настенный возможно, а напольный – весьма проблематично.
В частном же доме можно ставить любой котел: правила не требуют, чтобы топочная находилась непосредственно в доме. Если сделать пристройку к дому снаружи под топочную, то у инстанций будет только меньше поводов для придирок. В ней можно поставить напольный газовый котел большой мощности для обогрева не только особняка, но и служебных помещений.
Для частного же жилья среднего класса оптимальное решение – настенный котел; под него не требуется, как для напольного, устраивать кирпичный или бетонный поддон с бортами в полметра. Установка настенного газового котла в частном доме также обходится без технических и организационных затруднений: несгораемую каморку под топочную всегда можно выгородить, хотя бы на чердаке.
Двухконтурный и одноконтурный газовые котлы
Отличия в принципе работы этих двух агрегатов состоят в следующем. Двухконтурный нагреватель обеспечит не просто горячей водой из-под крана, благодаря ему все системы работают, как и прежде, словно и не отключали горячую воду — это и водоснабжение, и батареи, и даже тёплые полы. Теплообменник нагревает воду, поступающую из системы холодного снабжения.

Фото 3. Схема, показывающая различия одноконтурного и двухконтурного настенных котлов. К первому необходим бойлер.
Только двухконтурный агрегат содержит трехходовой клапан, который регулирует направление течения теплоносителя. Нагретая вода направляется в сторону центрального отопления. При открытии горячего крана, датчик внутри агрегата переключает трехходовой клапан в другое положение — вода течёт в теплообменник, где нагревает воду.
Внимание! Пока горячий кран открыт, действует так называемый приоритет горячей воды, то есть центральное отопление закрыто. Часто пользователи расценивают этот нюанс как неудобство
Для того чтобы горячую струю не приходилось ждать (обычно она появляется через полминуты, а то и больше после открытия крана), лучше приобрести котёл проточного типа со встроенным бойлером. Однако такой вариант годится только для квартир или небольших домов. Для большого особняка или усадьбы он нерентабелен.
Одноконтурный котёл пригодится только для нагрева холодной воды, поступающей из водопровода.
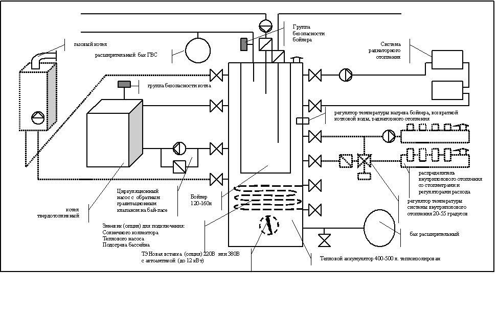
Подключение бойлера косвенного нагрева
Если система отопления будет построена на основе одноконтурного котла, необходимо определиться с источником горячей воды. Самое простое решение – установить в доме обычный электрический бойлер. Но он будет потреблять дорогую электроэнергию, что не очень выгодно. Гораздо дешевле подключить к контуру отопления бойлер косвенного нагрева.
Самый простой способ подключения бойлера к котлу – установить небольшие коллекторы и подключить к ним трубу с циркуляционным насосом и обратным клапаном, которая отправится к водонагревателю, а также обратную трубу. Управляя работой циркуляционного насоса, бойлер будет включать и отключать подачу теплоносителя, регулируя температуру во встроенном баке. Также возможна реализация данной схемы без коллектора.
Если помимо бойлера к вашей системе отопления подключатся дополнительные контуры и тёплые полы, то без коллекторов или гидрострелки не обойтись.
Документы на котел
Допустим, оборудовали вы топочную с соблюдением всех требований. Покупаем котел? Пока рано. Проверьте прежде всего, не затерялись ли прежние бумаги на газ, и извлеките их на свет божий:
- Контракт на поставку газа, если котел отопительный. Субпотребители могут устанавливать только водогрейные котлы.
- Все документы на газовый счетчик. Любой котел устанавливать без счетчика нельзя. Если его еще нет – ничего не поделаешь, нужно ставить и оформлять, но это другая тема.
Теперь можно покупать котел. Но, купив, устанавливать еще рано:
- В БТИ нужно внести изменения в техпаспорт дома. Для приватизированных квартир – через эксплуатирующую дом организацию. В новом плане должна быть нанесена каморка под котел, и четко обозначена: «Топочная» или «Котельная».
- Дать заявку в газовую службу на проект и ТУ. В составе требуемых документов и техпаспорт на котел, так что он должен быть уже куплен.
- Провести монтаж котла (см. след. разд), кроме газовой системы. Это можно сделать, пока газовики готовят проект, если помещение одобрено.
- Вызвать специалиста, чтобы сделал газовую обвязку.
- Дать заявку газовикам на ввод в эксплуатацию.
- Дождаться прихода инженера газовой службы, он все проверит, составит заключение о пригодности и даст разрешение на открытие запорного газового вентиля к котлу.
Примечание: газовикам не положено давать разрешение частным лицам на работу на газовом оборудовании. Поэтому для подключения к котлу газа придется вызывать специалиста или потом «решать вопрос» с инспектором при вводе в эксплуатацию. Как правило, первое обходится дешевле.
Подготовка приспособлений
Для установки и последующего запуска таких отопительных приборов необходимы следующие инструменты и материалы:
- Разъемные соединения по типу «американка», шаровые краны. Эти элементы применяются для подключения труб с холодной и горячей водой.
- Саморезы, кронштейны, дюбеля.
- Трубы для отопительного контура и дымохода.
- Фильтр с глубокой системой очистки на магнитной основе. Это продлевает срок службы котла, так как во внутренний отсек системы не будут поступать частицы мусора и грязи.
- Трехжильный кабель, розетки, выключатель автоматического типа 2А.
- Ножовка по металлу, отвертки, набор ключей, дрель, напильник.
Классическая схема подключения газового котла позволяет даже новичку выполнить монтаж всего необходимого оборудования.
Подключение всех труб
Нормы установки газовых навесных котлов
Существуют нормативные акты, где указаны строительные правила по монтажу.
При монтаже нужно обязательно следовать нормам. Источник фото: strmnt.com
Вначале придётся выполнить все условия, прописанные в этих документах:
- Позвонить газовщикам, чтобы специалисты проверили имеющиеся условия и в случае соблюдения правил разрешили соединение агрегата к центральной магистрали дома.
- Правильно составить проект, чтобы избежать штрафа. Исключение – теплогенератор уже был смонтирован в доме и требуется только заменить его на идентичную модель.
Как только проект будет закончен, необходимо обратиться в органы госнадзора с бумагами. После проверки они выдают разрешение на монтаж настенного котла.
Затем надо выполнить еще нескольких обязательных условий — правильно выбрать высоту и соблюсти требования пож. безопасности.
Высота
При монтаже котла на стене нужно соблюсти правила подбора оптимальной высоты, указанных в СП. Там написано, что от пола до низа купленного котла расстояние должно быть 0,9 метров (минимальный показатель), но и не больше 1,2 метров
Важно отметить, что эти параметры используют для бойлеров, но газовщики часто предъявляют эти требования так же к котлам
Важно соблюсти установленную газовщиками минимальную высоту, что высчитывается по расстоянию от трубы дымохода. В официальных нормативах указано, что аппарат настенного типа придётся обязательно делать опуск на 2 диаметра (минимальный показатель) дымохода
Допустимые пределы установки теплогенератора – 0,8-1,8 от уровня земли.
Нормы пожарной безопасности при установке
Обустроенная котельная. Источник фото: th360.ru
Монтируя настенный газовый котёл в квартире, необходимо соблюдать нормы ПБ.
Поэтому нужно выставлять противопожарные разрывы (указаны минимальные показатели, которых следует придерживаться):
- Расстояние от оборудования до стены – не меньше 10 см.
- От противоположной стены – минимум 40 см.
В правилах пожарной безопасности четко прописано, что на оборудование необходимо устанавливать термоизоляционный щит, прикрепляя его к стене. Он обязан располагаться сразу под газовым котлом. Если придется монтировать дымоход через крышу, то необходимо тоже выставлять противопожарные разрывы.
Между помещением с одноконтурным настенным котлом и жилой частью необходимо поставить защитную негорючую перегородку. Она должна обладать повышенной степенью огнеустойчивости для безопасности домочадцев.При подключении оборудования, необходимо использовать гофрированную металлическую трубу. Категорически запрещено покупать для монтажа котла резиновые шланги.
Выводы и полезное видео по теме
В ролике подробно рассматриваются нормативные требования к установке газовых котлов настенного типа:
https://youtube.com/watch?v=6NpCAXybHkU
Видео рассказывает о схеме подключения настенного котла:
https://youtube.com/watch?v=lX4JrOIGfDs
Ролик демонстрирует процесс установки настенного котла:
Установка газового нагревательного агрегата – ответственная и достаточно сложная операция, от качества выполнения которой зависит безопасность всех, кто проживает в доме. Поэтому представители газовых служб настойчиво не рекомендуют заниматься ею самостоятельно.
Да и производители отопительных приборов на этом настаивают. Поэтому даже опытным домашним мастерам лучше обратиться за помощью к профессионалам, что гарантирует длительную, а главное безопасную эксплуатацию устройства.
Пожалуйста, оставляйте свои комментарии, если у вас появились вопросы по теме статьи. А может вам самим приходилось сталкиваться с установкой газового настенного оборудования и вам есть что посоветовать нашим читателям?





