Способы решения проблемы
Начать необходимо с установления причины, повлекшей «проседание» электрической энергии. Распишем подробно алгоритм действий:
- Можно начать с опроса соседей, чтобы установить имеется ли у них подобная проблема. Если они столкнулись с подобной ситуацией, то велика вероятность, что имеет место внешний фактор (слабый трансформатор на подстанции, проблемы с ВЛ или дисбаланс мощности). Но прежде, чем писать коллективное заявление в Энергосбыт, следует проверить внутреннею сеть, поэтому вне зависимости от результатов опроса переходим к следующему пункту.
- Отключите вводный автомат защиты и измерьте напряжение на входных клеммах, после чего повторить измерение с подключенной нагрузкой.
Вводный автоматический выключатель отмечен зеленым овалом
Если без нагрузки напряжение в пределах нормы, а после подключения внутренней сети «проседает», то можно констатировать, что проблема имеет местный характер и решать ее придется своими силами. В первую очередь необходимо проверить вводный автомат, поскольку слабый контакт на его входе или выходе может вызвать «проседание» напряжения.

Проблемы с электрическим контактом в автоматическом выключателе (АВ)
Как правило, в случаях с плохим электрическим контактом в проблемном месте выделяется много тепла, что приводит к деформации корпуса АВ. В таких случаях необходимо произвести замену защитного устройства. Поскольку на входе прибора имеется высокое напряжение, такую работу должен выполнять специалист с 3-й группой допуска, самостоятельно производить замену опасно для жизни.
- Если с АВ все в порядке и дефектов не обнаружено, следует проверить соответствие сечения вводного кабеля. Для этой цели можно воспользоваться таблицей, приведенной на рисунке 2. При необходимости производится замена провода.
- В том случае, когда проверка кабеля и АВ не дала результатов (автомат защиты в норме, а кабель соответствует нагрузке), следует проверить отвод. Оплавленный корпус или искрение при подключении нагрузку свидетельствует о ненадежном контакте, следовательно, необходимо выполнить переподключение.
Обратим внимание, что все монтажные работы «до счетчика» должны выполняться специалистами поставщика услуг (если договор заключен напрямую) или управляющей компании. Все значительно сложнее, когда имеют место внешние причины
Модернизацию линии или трансформаторов на подстанции можно ждать годами. В таких случаях поднять напряжение до приемлемого уровня поможет установка стабилизатора
Все значительно сложнее, когда имеют место внешние причины. Модернизацию линии или трансформаторов на подстанции можно ждать годами. В таких случаях поднять напряжение до приемлемого уровня поможет установка стабилизатора.

Электронный стабилизатор Luxeon EWR-10000
Представленный на рисунке стабилизатор напряжения имеет рабочий диапазон от 90,0 до 270 Вольт и рассчитан на нагрузку до 10,0 кВА. Приборы такого типа устанавливаются на весь дом или квартиру, то есть, нет необходимости защищать каждый бытовой прибор отдельно. Стоимость электронных стабилизаторов напряжения около $200-$300, что однозначно дешевле, чем покупка новой техники, взамен вышедшей из строя.
Поднять напряжение до должного уровня также можно путем подключения домашней сети через повышающий трансформатор. Такой способ решения проблемы неудачный, поскольку нормализация электросистемы приведет к перенапряжению, что в лучшем случае приведет к срабатыванию защиты в бытовой технике. По этой же причине не рекомендуется использовать повышающей автотрансформатор.
Иногда проблему пытаются решить путем установки реле напряжения. Эффективность такого решения нулевая, прибор просто отключает питание сети, когда напряжение выходит из допустимого диапазона. В результате в розетках нет тока пока ситуация не нормализуется.
Причины возникновения
Повышенное напряжение в сети может возникнуть по ряду причин, как аварийных, так и технологических, обусловленных особенностями ваших электросетей. Рассмотрим несколько ситуаций подробнее:
- Колебания, вызванные разницей потребления в сети днём и ночью. Напряжение повышается ближе к полуночи, когда все жильцы спят, а близлежащие крупные потребители энергии не работают. Днём же напряжение может быть в норме или даже пониженным.
- Зимой сеть в норме, а летом вольт в розетке больше нормы. Также связано с разницей в потребляемой мощности. Зимой включают обогреватели, в связи с этим нагрузка возрастает, увеличиваются и просадки на линии.
- Отгорание нуля и перекос фаз. Когда неисправен нулевой провод, например, на вводе в дом проблемы с контактом или ноль вовсе отгорел, то напряжение в квартирах, подключенных к одной фазе, будет высоким – до и больше 300 вольт, в зависимости от того, насколько несимметрична нагрузка. Зато в квартирах, подключенных к другим фазам, будет пониженное напряжение. Аналогичная ситуация возникает и при проблемах с нулем во внешних линиях электропередач, тогда проблема будет не только в квартирах, но и целые улицы с частными домами могут пострадать.
Первых две проблемы обусловлены устройством трансформаторной подстанции, они обустраиваются РПН (устройство регулирования под нагрузкой), вольтодобавочными трансформаторами или другими техническими решениями. Таким образом напряжение настраивают для корректного электроснабжения.

Но допустим, что есть длинная улица в поселке из частных домов. Тогда подстанция обустраивается так, чтобы обеспечить нормальное питание отдалённых потребителей, тогда у тех потребителей, что расположены ближе к ТП будет высокое напряжение, а в последних домах нормальное или низкое. Особенно остро это проявляется в то время, когда линия сильно нагружена.

Как повысить силу тока в блоке питания
В интернете часто можно встретить вопрос, как повысить I в блоке питания, не изменяя напряжение. Рассмотрим основные варианты.
Ситуация №1.
Блок питания на 12 Вольт работает с током 0,5 Ампер. Как поднять I до предельной величины? Для этого параллельно БП ставится транзистор. Кроме того, на входе устанавливается резистор и стабилизатор.
Узнайте больше — как проверить транзистор мультиметром на исправность.
При падении напряжения на сопротивлении до нужной величины открывается транзистор, и остальной ток протекает не через стабилизатор, а через транзистор.
Последний, к слову, необходимо выбирать по номинальному току и ставить радиатор.
Кроме того, возможны следующие варианты:
- Увеличить мощность всех элементов устройства. Поставить стабилизатор, диодный мост и трансформатор большей мощности.
- При наличии защиты по току снизить номинал резистора в цепочке управления.
Ситуация №2.
Имеется блок питания на U = 220-240 Вольт (на входе), а на выходе постоянное U = 12 Вольт и I = 5 Ампер. Задача — увеличить ток до 10 Ампер. При этом БП должен остаться приблизительно в тех же габаритах и не перегреваться.
Здесь для повышения мощности на выходе необходимо задействовать другой трансформатор, который пересчитан под 12 Вольт и 10 Ампер. В противном случае изделие придется перематывать самостоятельно.
При отсутствии необходимого опыта на риск лучше не идти, ведь высока вероятность короткого замыкания или перегорания дорогостоящих элементов цепи.
Трансформатор придется поменять на изделие большего размера, а также пересчитывать цепочку демпфера, находящегося на СТОКЕ ключа.
Следующий момент — замена электролитического конденсатора, ведь при выборе емкости нужно ориентироваться на мощность устройства. Так, на 1 Вт мощности приходится 1-2 мкФ.
Также рекомендуется поменять диоды с выпрямителями. Кроме того, может потребоваться установка нового диода выпрямителя на низкой стороне и увеличение емкости конденсаторов.
После такой переделки устройство будет греться сильнее, поэтому без установки вентилятора не обойтись.
Как повысить силу тока в блоке питания?
В интернете часто можно встретить вопрос, как повысить I в блоке питания, не изменяя напряжение. Рассмотрим основные варианты.
Блок питания на 12 Вольт работает с током 0,5 Ампер. Как поднять I до предельной величины? Для этого параллельно БП ставится транзистор. Кроме того, на входе устанавливается резистор и стабилизатор.
При падении напряжения на сопротивлении до нужной величины открывается транзистор, и остальной ток протекает не через стабилизатор, а через транзистор.
Последний, к слову, необходимо выбирать по номинальному току и ставить радиатор.
Кроме того, возможны следующие варианты:
- Увеличить мощность всех элементов устройства. Поставить стабилизатор, диодный мост и трансформатор большей мощности.
- При наличии защиты по току снизить номинал резистора в цепочке управления.
Имеется блок питания на U = 220-240 Вольт (на входе), а на выходе постоянное U = 12 Вольт и I = 5 Ампер. Задача — увеличить ток до 10 Ампер. При этом БП должен остаться приблизительно в тех же габаритах и не перегреваться.
Здесь для повышения мощности на выходе необходимо задействовать другой трансформатор, который пересчитан под 12 Вольт и 10 Ампер. В противном случае изделие придется перематывать самостоятельно.

При отсутствии необходимого опыта на риск лучше не идти, ведь высока вероятность короткого замыкания или перегорания дорогостоящих элементов цепи.
Трансформатор придется поменять на изделие большего размера, а также пересчитывать цепочку демпфера, находящегося на СТОКЕ ключа.
Следующий момент — замена электролитического конденсатора, ведь при выборе емкости нужно ориентироваться на мощность устройства. Так, на 1 Вт мощности приходится 1-2 мкФ.

Также рекомендуется поменять диоды с выпрямителями. Кроме того, может потребоваться установка нового диода выпрямителя на низкой стороне и увеличение емкости конденсаторов.
После такой переделки устройство будет греться сильнее, поэтому без установки вентилятора не обойтись.
Как повысить силу тока в цепи?
Бывают ситуации, когда требуется повысить I, который протекает в цепи, но при этом важно понимать, что нужно принять меры по защите электроприборов, сделать это можно с помощью специальных устройств. Рассмотрим, как повысить силу тока с помощью простых приборов
Рассмотрим, как повысить силу тока с помощью простых приборов.
Для выполнения работы потребуется амперметр.
По закону Ома ток равен напряжению (U), деленному на сопротивление (R). Простейший путь повышения силы I, который напрашивается сам собой — увеличение напряжения, которое подается на вход цепи, или же снижение сопротивления. При этом I будет увеличиваться прямо пропорционально U.
К примеру, при подключении цепи в 20 Ом к источнику питания c U = 3 Вольта, величина тока будет равна 0,15 А.
Если добавить к цепи еще один источник питания на 3В, общую величину U удается повысить до 6 Вольт. Соответственно, ток также вырастет в два раза и достигнет предела в 0,3 Ампера.
Подключение источников питания должно осуществляться последовательно, то есть плюс одного элемента подключается к минусу первого.
Для получения требуемого напряжения достаточно соединить в одну группу несколько источников питания.

В быту источники постоянного U, объединенные в одну группу, называются батарейками.
Несмотря на очевидность формулы, практические результаты могут отличаться от теоретических расчетов, что связано с дополнительными факторами — нагревом проводника, его сечением, применяемым материалом и так далее.
В итоге R меняется в сторону увеличения, что приводит и к снижению силы I.
Повышение нагрузки в электрической цепи может стать причиной перегрева проводников, перегорания или даже пожара.
Вот почему важно быть внимательным при эксплуатации приборов и учитывать их мощность при выборе сечения. Величину I можно повысить и другим путем, уменьшив сопротивление
К примеру, если напряжение на входе равно 3 Вольта, а R 30 Ом, то по цепи проходит ток, равный 0,1 Ампер
Величину I можно повысить и другим путем, уменьшив сопротивление. К примеру, если напряжение на входе равно 3 Вольта, а R 30 Ом, то по цепи проходит ток, равный 0,1 Ампер.
Если уменьшить сопротивление до 15 Ом, сила тока, наоборот, возрастет в два раза и достигнет 0,2 Ампер. Нагрузка снижается почти к нулю при КЗ возле источника питания, в этом случае I возрастают до максимально возможной величины (с учетом мощности изделия).
Дополнительное снизить сопротивление можно путем охлаждения провода. Такой эффект сверхпроводимости давно известен и активно применяется на практике.
Чтобы повысить силу тока в цепи часто применяются электронные приборы, например, трансформаторы тока (как в сварочниках). Сила переменного I в этом случае возрастает при снижении частоты.
Если в цепи переменного тока имеется активное сопротивление, I увеличивается при росте емкости конденсатора и снижении индуктивности катушки.
В ситуации, когда нагрузка имеет чисто емкостной характер, сила тока возрастает при повышении частоты. Если же в цепь входят катушки индуктивности, сила I будет увеличиваться одновременно со снижением частоты.
Чтобы повысить силу тока, можно ориентироваться на еще одну формулу, которая выглядит следующим образом:
I = U*S/(ρ*l). Здесь нам неизвестно только три параметра:
- S — сечение провода;
- l — его длина;
- ρ — удельное электрическое сопротивление проводника.
Чтобы повысить ток, соберите цепочку, в которой будет источник тока, потребитель и провода.
Роль источника тока будет выполнять выпрямитель, позволяющий регулировать ЭДС.
Подключайте цепочку к источнику, а тестер к потребителю (предварительно настройте прибор на измерение силы тока). Повышайте ЭДС и контролируйте показатели на приборе.

Как отмечалось выше, при росте U удается повысить и ток. Аналогичный эксперимент можно сделать и для сопротивления.
Для этого выясните, из какого материала сделаны провода и установите изделия, имеющие меньшее удельное сопротивление. Если найти другие проводники не удается, укоротите те, что уже установлены.
Еще один путь — увеличение поперечного сечения, для чего параллельно установленным проводам стоит смонтировать аналогичные проводники. В этом случае возрастает площадь сечения провода и увеличивается ток.
Если же укоротить проводники, интересующий нас параметр (I) возрастет. При желании варианты увеличения силы тока разрешается комбинировать. Например, если на 50% укоротить проводники в цепи, а U поднять на 300%, то сила I возрастет в 9 раз.
Повышение постоянного напряжения
Общий принцип увеличения постоянного напряжения в произвольное число раз
Трансформаторный способ увеличения напряжения не может применяться в сетях постоянного тока. Поэтому при необходимости решения этой задачи используют более сложные устройства, в основу функционирования которых положена следующая схема: постоянный входной ток используется для питания генератора, с выхода которого снимают переменный сигнал. Переменное напряжение увеличивают тем или иным образом, после чего выпрямляют и сглаживают для получения более высокого постоянного.
Структурная схема такого преобразователя показана на рисунке 5.

Рисунок 5. Обобщенная структурная схема повышающего преобразователя
Отдельные разновидности схем отличаются между собой:
- формой сигнала, снимаемого с выхода генератора (синусоидальное или близкое к нему, пилообразное, импульсное и т.д.);
- принципом увеличения генерируемого напряжения (трансформатор, умножитель);
- типом выпрямления и сглаживания напряжения перед подачей его на выход устройства.
В продаже доступны микроэлектронная элементная база, которая позволяет собирать преобразователи данной разновидности при наличии даже начальных навыков радиомонтажника.
Умножители
Умножители применяют в тех случаях, когда из переменного входного напряжения нужно получить постоянное, которое в кратное количество раз превышает входное.
Существует большое количество схем умножителей. Одна из них показана на рисунке 6.

Рис. 6. Принципиальная схема умножителя
Коэффициент умножения можно нарастить увеличением количества каскадов.

Рис. 7. Еще пример: умножитель в 6 и 8 раз

Рис. 8. Учетверитель напряжения
Общее для таких схем:
- мостовой принцип реализации для увеличения общего КПД устройства;
- использование конденсаторов для накапливания заряда;
- применение диодов как элемента выпрямления.
Что происходит с понижающим трансформатором при увеличении нагрузки
А ничего с ним не происходит))) Как понижал он напряжение- так и продолжает понижать- так уж он устроен.
На первичную обмотку (обмотка высокого напряжения) подается 110 000 Вольт, а со вторичной (обмотка низкого напряжения) снимается 10 000 Вольт.
Это идеальный вариант, когда напряжение на первичной обмотке стабильное и не меняется, а нагрузка вторичной обмотки или очень мала или ее совсем нет (трансформатор работает в режиме холостого хода).
На самом деле это совсем не так.
В действительности высокое напряжение на первичной нагрузке постоянно меняется в небольших пределах- 110-117кВ
А так как коэффициент трансформации у трансформатора величина неизменная, то получается что и на вторичной обмотке 10 кВ напряжение тоже колеблется так сказать “в ногу” с первичным напряжением.
А вслед за этим колебания напряжения передаются следующим понижающим трансформаторам 10/0,4 кВ…
И так эти колебания дойдут и до наших квартир и напряжение колебалось бы пропорционально с высоким напряжением 110 кВ.
И было бы у нас в розетках то 180 Вольт, то 250 и бесперестанно бы оно изменялось в течении суток. Думаю что никому не понравится когда свет в доме постоянно меняет яркость, как в том анекдоте- то потухнет, то погаснет, то совсем не загорит)))
Причины снижения напряжения
Если в электрической сети низкое напряжение, не выходящее за границы допустимых норм, то это вполне нормально, так как при транспортировке энергии на линии теряется ее некоторая часть. При обычных условиях уровень этих потерь должен иметь допустимые значения. Но со временем оборудование изнашивается, и потребление электричества увеличивается.

Повышение расхода энергии заметно в своих домах при увеличении количества электрических устройств. Постепенно возникает такая ситуация, когда сеть не может нормально функционировать и обеспечивать энергией потребителей. При увеличении нагрузки толщина проводов, кабелей и мощность оборудования не изменяется.
Многие электрические устройства должны функционировать при нормальном напряжении 220-230 В. Если эта величина уменьшается, и становится ниже, то эффект от приборов значительно уменьшается, и большинство из них совсем не работают, либо выходят из строя.
Повышение постоянного напряжения
Общий принцип увеличения постоянного напряжения в произвольное число раз
Трансформаторный способ увеличения напряжения не может применяться в сетях постоянного тока. Поэтому при необходимости решения этой задачи используют более сложные устройства, в основу функционирования которых положена следующая схема: постоянный входной ток используется для питания генератора, с выхода которого снимают переменный сигнал. Переменное напряжение увеличивают тем или иным образом, после чего выпрямляют и сглаживают для получения более высокого постоянного.
Структурная схема такого преобразователя показана на рисунке 5.

Рисунок 5. Обобщенная структурная схема повышающего преобразователя
Отдельные разновидности схем отличаются между собой:
- формой сигнала, снимаемого с выхода генератора (синусоидальное или близкое к нему, пилообразное, импульсное и т.д.);
- принципом увеличения генерируемого напряжения (трансформатор, умножитель);
- типом выпрямления и сглаживания напряжения перед подачей его на выход устройства.
В продаже доступны микроэлектронная элементная база, которая позволяет собирать преобразователи данной разновидности при наличии даже начальных навыков радиомонтажника.
Умножители
Умножители применяют в тех случаях, когда из переменного входного напряжения нужно получить постоянное, которое в кратное количество раз превышает входное.
Существует большое количество схем умножителей. Одна из них показана на рисунке 6.

Рис. 6. Принципиальная схема умножителя
Коэффициент умножения можно нарастить увеличением количества каскадов.

Рис. 7. Еще пример: умножитель в 6 и 8 раз

Рис. 8. Учетверитель напряжения
Общее для таких схем:
- мостовой принцип реализации для увеличения общего КПД устройства;
- использование конденсаторов для накапливания заряда;
- применение диодов как элемента выпрямления.
Нормативные ссылки:
ПУЭ 7-го издания.
Уровни и регулирование напряжения, компенсация реактивной мощности.
1.2.22. Для электрических сетей следует предусматривать технические мероприятия по обеспечению качества электрической энергии в соответствии с требованиями ГОСТ 13109.
1.2.23. Устройства регулирования напряжения должны обеспечивать поддержание напряжения на шинах напряжением 3-20 кВ электростанций и подстанций, к которым присоединены распределительные сети, в пределах не ниже 105 % номинального в период наибольших нагрузок и не выше 100% номинального в период наименьших нагрузок этих сетей. Отклонения от указанных уровней напряжения должны быть обоснованы.
1.2.24. Выбор и размещение устройств компенсации реактивной мощности в электрических сетях производятся исходя из необходимости обеспечения требуемой пропускной способности сети в нормальных и послеаварийных режимах при поддержании необходимых уровней напряжения и запасов устойчивости.
Отклонение напряжения характеризуется показателем установившегося отклонения напряжения, для которого установлены следующие нормы:
- нормально допустимые и предельно допустимые значения установившегося отклонения напряжения δUу на выводах приемников электрической энергии равны соответственно ± 5 и ± 10% от номинального напряжения электрической сети по ГОСТ 721 и ГОСТ 21128 (номинальное напряжение);
- нормально допустимые и предельно допустимые значения установившегося отклонения напряжения в точках общего присоединения потребителей электрической энергии к электрическим сетям напряжением 0,38 кВ и более должны быть установлены в договорах на пользование электрической энергией между энергоснабжающей организацией и потребителем с учетом необходимости выполнения норм настоящего стандарта на выводах приемников электрической энергии.
РД 34.20.185-94
Инструкция по проектированию городских электрических сетей.
Гл. 5.2 Уровни и регулирование напряжения, компенсация реактивной мощности
5.2.4. Предварительный выбор сечений проводов и кабелей допускается производить исходя из средних значений предельных потерь напряжения в нормальном режиме: в сетях 10(6) кВ не более 6 %, в сетях 0,38 кВ (от ТП до вводов в здания) не более 4-6 %.
Большие значения относятся к линиям, питающим здания с меньшей потерей напряжения во внутридомовых сетях (малоэтажные и односекционные здания), меньшие значения — к линиям, питающим здания с большей потерей напряжения во внутридомовых сетях (многоэтажные многосекционные жилые здания, крупные общественные здания и учреждения).
СП 31-110-2003
Проектирование и монтаж электроустановок жилых и общественных зданий.
7. Схемы электрических сетей.
7.23 Отклонения напряжения от номинального на зажимах силовых электроприемников и наиболее удаленных ламп электрического освещения не должны превышать в нормальном режиме ±5 %, а предельно допустимые в послеаварийном режиме при наибольших расчетных нагрузках — ±10 %. В сетях напряжением 12-50 В (считая от источника питания, например понижающего трансформатора) отклонения напряжения разрешается принимать до 10 %.
Для ряда электроприемников (аппараты управления, электродвигатели) допускается снижение напряжения в пусковых режимах в пределах значений, регламентированных для данных электроприемников, но не более 15 %.
С учетом регламентированных отклонений от номинального значения суммарные потери напряжения от шин 0,4 кВ ТП до наиболее удаленной лампы общего освещения в жилых и общественных зданиях не должны, как правило, превышать 7,5 %. Размах изменений напряжения на зажимах электроприемников при пуске электродвигателя не должен превышать значений, установленных ГОСТ 13109.
ГОСТ Р 50571.15-97 (МЭК 364-5-52-93). Электроустановки зданий.
Часть 5. Выбор и монтаж электрооборудования. Глава 52. Электропроводки.
525. Потери напряжения в электроустановках зданий.
МЭК 60364-7-714-1996, IEC 60364-7-714 (1996). Электрические установки зданий.
Часть 7. Требования к специальным установкам или помещениям.
Раздел 714. Наружные осветительные установки.
в свободном переводе автора статьи:
714.512. Падение напряжения в нормальных рабочих условиях должно быть совместимо с условиями, возникающими от пускового тока ламп.
РД 34.20.501-95
Правила технической эксплуатации электрических станций и сетей РФ.
5. Электрическое оборудование электростанций и сетей.
ГОСТ Р МЭК 60204-1-99 (МЭК 60204-1). Безопасность машин.
Электрооборудование машин и механизмов. Общие требования.
13 Кабели и провода. 13.5 Падение напряжения на проводах
РМ 2559
Инструкция по проектированию учета электропотребления в жилых и общественных зданиях.
Стабилизатор напряжения
Это наиболее приемлемый метод. Стабилизатор может быть с ручным или автоматическим управлением. Стабилизатор с системой автоматики самостоятельно удерживает необходимую мощность, а ручной приходится настраивать своими руками. Раньше такие приборы были во многих домах, так как электричество в сети имело большие перепады, да и в настоящее время подача электроэнергии часто изменяется. Когда люди на работе, то напряжение нормальное, а вечером, когда все дома, и работают многие устройства, то напряжение может давать сбои.

В таких случаях стабилизатор выполняет две задачи – во-первых, он увеличивает неожиданно уменьшившееся напряжение, позволяя приборам непрерывно функционировать, а во-вторых, он создает безопасность, и предотвращает появление замыканий из-за перепадов питания. Стабилизатор является необходимым устройством, но достаточно дорогостоящим, поэтому если у вас нет в доме старого стабилизатора, то лучше его не приобретать, а воспользоваться другим методом.
Чаще всего стабилизатор постоянно находится в подключенном состоянии, защищая устройства. Многие из них имеют световую индикацию, указывающую на уровень напряжения и режима работы.
Защита при помощи реле напряжения
Данный способ подходит как для частных домов, так и для квартир в многоэтажках. Все что нужно, чтобы защититься от перепадов напряжения и 380в в розетках – это установить внутри вводного щитка модульное реле напряжения.
При этом оно будет защищать приборы и холодильник как от повышенных, так и от пониженных значений. Есть модели, которые дополнительно снабжены встроенной защитой от сверхтоков.
Подробнее ознакомиться с их разновидностями и выбрать для себя подходящую модель, поможет статья ниже.
Если же у вас щиток уже полностью укомплектован, и туда невозможно поместить дополнительные модульные устройства – в этом случае воспользуйтесь небольшими реле напряжения, которые просто втыкаются в розетку.
Хотя функциональность у модульных и розеточных вариантов могут отличаться, свою главную задачу – защиту электро-приборов, они выполняют одинаково хорошо.
На сегодняшний день именно реле напряжения являются наиболее экономичным и эффективным способом борьбы с перепадами напряжения. Стабилизаторы могут подойти далеко не каждому.
Более того, некоторые девайсы даже и не спасут от мгновенного скачка. Так или иначе вызвав пожар, и выход из строя дорогой техники.
Поэтому всегда устанавливайте в своих домах и квартирах именно реле напряжения. Эти устройства средней стоимостью 3000 рублей, помогут вам сэкономить впоследствии сотни тысяч.
https://youtube.com/watch?v=zKiMdUUToT4
Цепи постоянного тока
Ku=1/(1-D)
Также рассмотрим типовые ситуации.
Допустим вы хотите сделать подсветку клавиатуры с помощью небольшого отрезка светодиодной ленты. Для этого вполне хватит мощности зарядного от смартфона (5-15 Вт), но проблема в том, что его выходное напряжение составляет 5 Вольт, а распространенные типы светодиодных лент работают от 12 В.
Тогда как повысить напряжение на зарядном устройстве? Проще всего повысить с помощью такого устройства как «dc-dc boost converter» или «импульсный повышающий преобразователь постоянного напряжения».

Такие устройства позволяют повысить напряжение с 5 до 12 Вольт, и продаются как с фиксированной величиной, так и регулируемые, что позволит в большинстве случаев поднять с 12 до 24 и даже до 36 Вольт. Но учтите, что выходной ток ограничен самым слабым элементом цепи, в обсуждаемой ситуации – током на зарядном устройстве.
При использовании указанной платы выходной ток будет меньше входного во столько раз, во сколько поднялось напряжение на выходе, без учета КПД преобразователя (он в районе 80-95%).
Подобные устройства строят на базе микросхем MT3608, LM2577, XL6009. С их помощью можно сделать устройство для проверки реле регулятора не на генераторе автомобиля, а на рабочем столе, регулируя значения с 12 до 14 Вольт. Ниже вы видите видео-тест такого устройства.
Интересно! Любители самоделок часто задают вопрос «как повысить напряжение с 3,7 В до 5 В, чтобы сделать Power bank на литиевых аккумуляторах своими руками?». Ответ прост – использовать плату-преобразователь FP6291.

На подобных платах с помощью шелкографии указано назначение контактных площадок для подключения, поэтому схема вам не понадобится.

Также часто возникающая ситуация — необходимость подключить к автомобильному аккумулятору 220В прибор, а бывает что за городом очень нужно получить 220В. Если бензинового генератора у вас нет – используйте автомобильный аккумулятор и инвертор, чтобы повысить напряжение с 12 до 220 Вольт. Модель мощностью в 1 кВт можно купить за 35 долларов – это недорогой и проверенный способ подключить 220В дрель, болгарку, котёл или холодильник к 12В аккумулятору.

Если вы водитель грузовика, вам не подойдёт именно указанный выше инвертор, из-за того, что в вашей бортовой сети скорее всего 24 Вольта
Если вам нужно поднять напряжение с 24В до 220В – то обратите на это внимание при покупке инвертора

Хотя стоит отметить, что есть универсальные преобразователи, которые могут работать и от 12, и от 24 вольт.
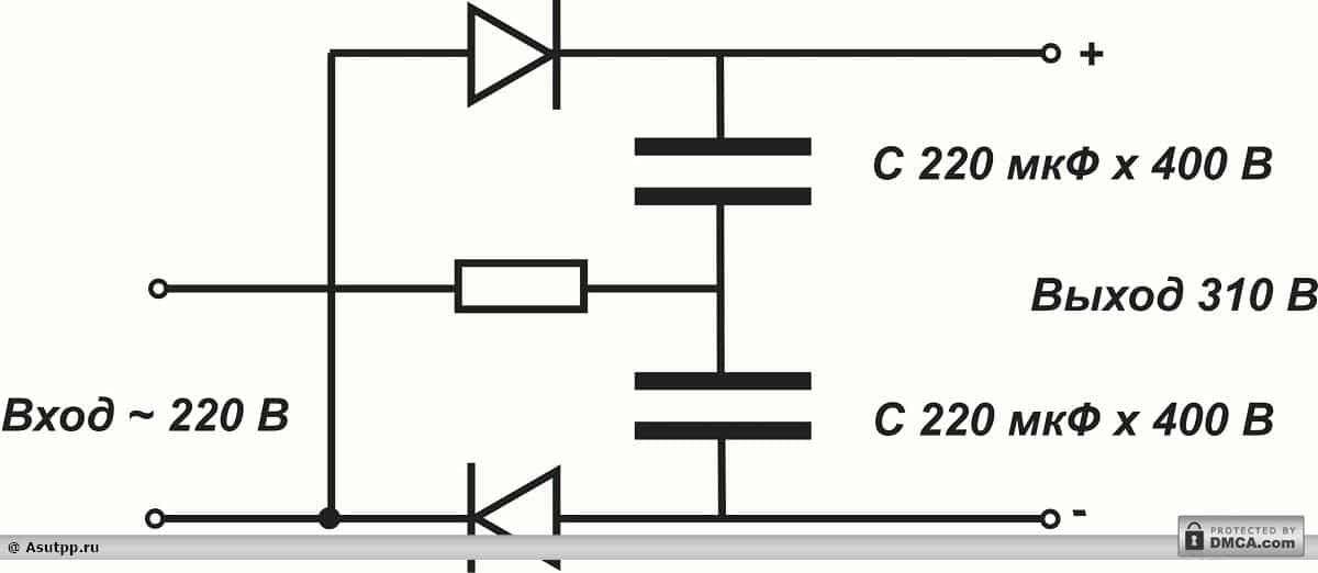
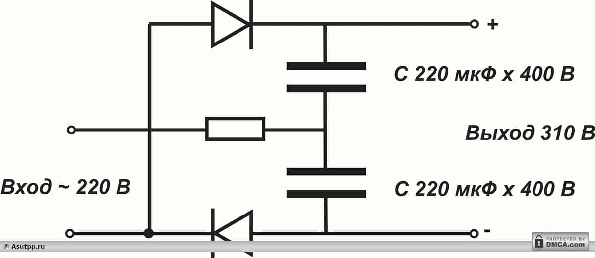
В случаях, когда нужно получить высокое напряжение, например, поднять с 220 до 1000В, можно использовать специальный умножитель. Его типовая схема изображена ниже. Он состоит из диодов и конденсаторов. Вы получите на выходе постоянный ток, учтите это. Это удвоитель Латура-Делона-Гренашера:

А так выглядит схема несимметричного умножителя (Кокрофта-Уолтона).

С его помощью вы можете повысить напряжение в нужное число раз. Это устройство строится каскадами, от числа которых зависит сколько вольт на выходе вы получите. В следующем видео описан принцип работы умножителя.
Кроме этих схем существует еще множество других, ниже изображены схемы учетвертителя, 6- и 8-кратных умножителей, которые используются для повышения напряжения:


В заключении хотелось бы напомнить о технике безопасности. При подключении трансформаторов, автотрансформаторов, а также работе с инверторами и умножителями будьте аккуратны. Не касайтесь токоведущихчастей голыми руками. Подключения следует выполнять при отключенном питании от устройства, а также избегать их работы во влажных помещениях с возможностью попадания воды или брызг. Также не превышайте заявленный производителем ток трансформатора, преобразователя или блока питания, если не хотите, чтобы он у вас сгорел. Надеемся, предоставленные советы помогут вам повысить напряжение до нужного значения! Источник
С помощью инвертора
https://youtube.com/watch?v=-3wwR89PQgI
Данное устройство является преобразователем напряжения, имеющим в своей конструкции несколько блоков. Этот прибор выпрямляет напряжение на одну фазу, чтобы преобразовать его в переменное напряжение с нужными значением частоты.
В цепи с этим прибором может быть самое разное количество фаз, но для нормальной работы лучше всего использовать три фазы со сдвигом в сто двадцать градусов. Некоторые делают инверторы своими руками, но для этого нужно потратить много времени и сил.
Проще купить инвертор, поскольку сегодня можно найти самые разные модели с разными характеристиками.

Прибор удобен не только тем, что образует сеть из однофазной в трёхфазную с повышенным напряжением, но и обладает повышенной защитой потребителя энергии. Двигатель будет защищён:
- От скачков напряжения;
- От перегрузки;
- От короткого замыкания;
- От перегревов.





