Виды электродвигателей
Наибольшее распространение имеет трехфазный асинхронный электродвигатель. Электродвигатели постоянного тока и синхронные применяются редко.
Большинство электрифицированных машин нуждаются в приводе мощностью от 0,1 до 10 кВт, значительно меньшая часть — в приводе мощностью в несколько десятков кВт. Как правило, для привода рабочих машин используются короткозамкнутые трехфазные электродвигатели. По сравнению с фазным такой электродвигатель имеет более простую конструкцию, меньшую стоимость, большую надежность в эксплуатации и простоту в обслуживании, несколько более высокие эксплутационные показатели (коэффициент мощности и коэффициент полезного действия), а при автоматическом управлении требует простой аппаратуры. Недостаток короткозамкнутых электродвигателей — относительно большой пусковой ток. При соизмеримости мощностей трансформаторной подстанции и электродвигателя его пуск сопровождается заметным снижением напряжения сети, что усложняет как пуск самого двигателя, так и работу соседних токоприемников.
Наряду с трехфазными асинхронными короткозамкнутыми электродвигателями основного исполнения применяются также отдельные модификации этих двигателей: с повышенным скольжением, многоскоростные, с фазным ротором, с массивным ротором и т. д. Электродвигатели с фазным ротором применяют и в тех случаях, когда мощность питающей сети недостаточна для пуска двигателя с короткозамкнутым ротором.
Механические характеристики асинхронных электродвигателей с короткозамкнутым ротором в значительной мере зависят от формы и размеров пазов ротора, а также от способа выполнения роторной обмотки. По этим признакам
Рис. 1. Кривые моментов M = f(S) асинхронных электродвигателей
различают электродвигатели с нормальным ротором (нормальная беличья клетка), с глубоким пазом и с двумя клетками на роторе. Конструкция ротора короткозамкнутых асинхронных электродвигателей общего назначения мощностью свыше 500 Вт предопределяет явление вытеснения тока в обмотке, эквивалентно увеличению ее активного сопротивления. Поэтому, а также вследствие насыщения магнитных путей потоков рассеивания такие электродвигатели (в первую очередь обмотки ротора) обладают переменными параметрами и аналитические выражения их механических характеристик усложняются. Увеличение активного сопротивления ротора в период пуска вызывает увеличение начального пускового момента при некотором снижении силы начального пускового тока (рис. 1).
Расчет мощности электродвигателя
Расчет мощности электродвигателя по току можно произвести с помощью нашего онлайн калькулятора:
Полученный результат можно округлить до ближайшего стандартного значения мощности.
Стандартные значения мощностей электродвигателей: 0,25; 0,37; 0,55; 0,75; 1,1; 1,5; 2,2; 3,0; 4,0; 5,5; 7,5; 11; 15; 18,5; 22; 30; 37; 45; 55; 75 кВт и т.д.
Расчет мощности двигателя производится по следующей формуле:
P=√3UIcosφη
- U — Номинальное напряжение (напряжение на которое подключается электродвигатель);
- I — Номинальный ток электродвигателя (берется из паспортных данных электродвигателя, а при их отсутствии определяется расчетным путем);
- cosφ — Коэффициент мощности — отношение активной мощности к полной (принимается от 0,75 до 0,9 в зависимости от мощности электродвигателя);
- η — Коэффициент полезного действия — отношение электрической мощности потребляемой электродвигателем из сети к механической мощности на валу двигателя (принимается от 0,7 до 0,85 в зависимости от мощности электродвигателя);
Тип электромагнитного расцепителя
Автомат должен срабатывать при повышении тока выше определенной отметки. Но в сети периодически возникают кратковременные перегрузки. Обычно они связаны с пусковыми токами. Например, такие перегрузки могут наблюдаться при включении компрессора холодильника, мотора стиральной машины и т.д. Автоматический выключатель при таких временных и краткосрочных перегрузках отключаться не должен, потому у них есть определенная задержка на срабатывание.
Но если ток возрос не из-за перегрузки а из-за КЗ, то за время, которое «выжидает» автоматический выключатель, контакты его расплавятся. Вот для этого и существует электромагнитный автоматический расцепитель. Он срабатывает при определенной величине тока, которая уже не может быть перегрузкой. Этот показатель называют еще током отсечки, так как в этом случае автоматический выключатель отсекает линию от электропитания. Величина тока срабатывания может быть разной и отображается буквами, которые стоят перед цифрами, обозначающими номинал автомата.
Есть три самых ходовых типа:
- B — срабатывает при превышении номинального тока в 3-5 раз;
- C — если он превышен в 5-10 раз;
- D — если больше в 10-20 раз.
Класс автомата или тока отсечки
С какой же характеристикой выбрать пакетник? В данном случае выбор автомата защиты также основывается на отдаленности вашего домовладения от подстанции и состояния электросетей выбор автомата защиты проводят ползуясь простыми правилами:
- С буквой «B» на корпусе подходят для дач, домов селах и поселках, которые получают электропитание через воздушки. Также их можно ставить в квартиры старых домов, в которых реконструкция внутридомовой электросети не производилась. Эти защитные автоматы далеко не всегда есть в продаже, стоят немного дороже категории С, но могут доставляться под заказ.
- Пакетники с «C» на корпусе — это наиболее широко распространенный вариант. Они ставятся в сетях с нормальным состоянием, подходят для квартир в новостройках или после капремонта, в частных домах недалеко от подстанции.
- Класс D ставят на предприятиях, в мастерских с оборудованием, имеющим высокие пусковые токи.
То есть по сути выбор автомата защиты в этом случае прост — для большинства случаев подходит тип C. Он и есть в магазинах в большом ассортименте.
Назначение и принцип действия расцепителей
Непосредственная электрической цепи осуществляется с помощью подвижного и неподвижного контактов. В подвижном контакте имеется пружина, обеспечивающая быстрое расцепление контактов. Для приведения в действие механизма расцепления существуют два вида расцепителей.
Тепловой расцепитель, по сути, является биметаллической пластиной, которая нагревается при протекании тока. Когда ток превышает допустимое значение, происходит изгиб пластины и расцепляющий механизм начинает действовать. Время его срабатывания находится в зависимости от тока. Минимальное значение электротока, когда срабатывает расцепитель, имеет величину в 1,45 от значения тока уставки. Срабатывания настраивается с помощью специального регулировочного винта. После того, как пластина остынет, автомат будет полностью готов к последующему использованию.
Электромагнитный расцепитель обладает мгновенным действием и носит еще одно название отсечки. Это соленоид с подвижным сердечником, который и приводит в действие расцепляющий механизм. При протекании тока через обмотку происходит втягивание сердечника, если токовое значение превышает заданный порог. Срабатывание происходит мгновенно, в этих случаях превышение электротока может составлять 2-10 раз от номинального значения.
Принцип определения
Iн для жил проводов и кабелей определяют по таблицам “Правил устройства электроустановок”, справочников и прочей специализированной литературы, в них учитываются:

- материал проводника (в основном указываются данные для меди и алюминия). Металлы и сплавы имеют разное сопротивление, а от него зависит баланс между выделением тепла (Q = I2 * R, где I — сила тока, R — электросопротивление проводника) и его отводом;
- площадь поперечного сечения жилы: от этого также зависит величина R;
- способ прокладки (открыто или в канале), число жил в кабеле и материал изоляции.
Для вычисления площади поперечного сечения жилы, измеряют штангенциркулем ее диаметр D, затем производят расчет по формуле: S = (3.14 * D2) / 4. Определив номинальный ток провода, сопоставляют его с номинальным током нагрузки.
Если последний окажется больше, берут провод с большей площадью сечения жил. Для определения номинального тока нагрузки, если таковая не указана на информационной табличке, необходимо знать формулы.
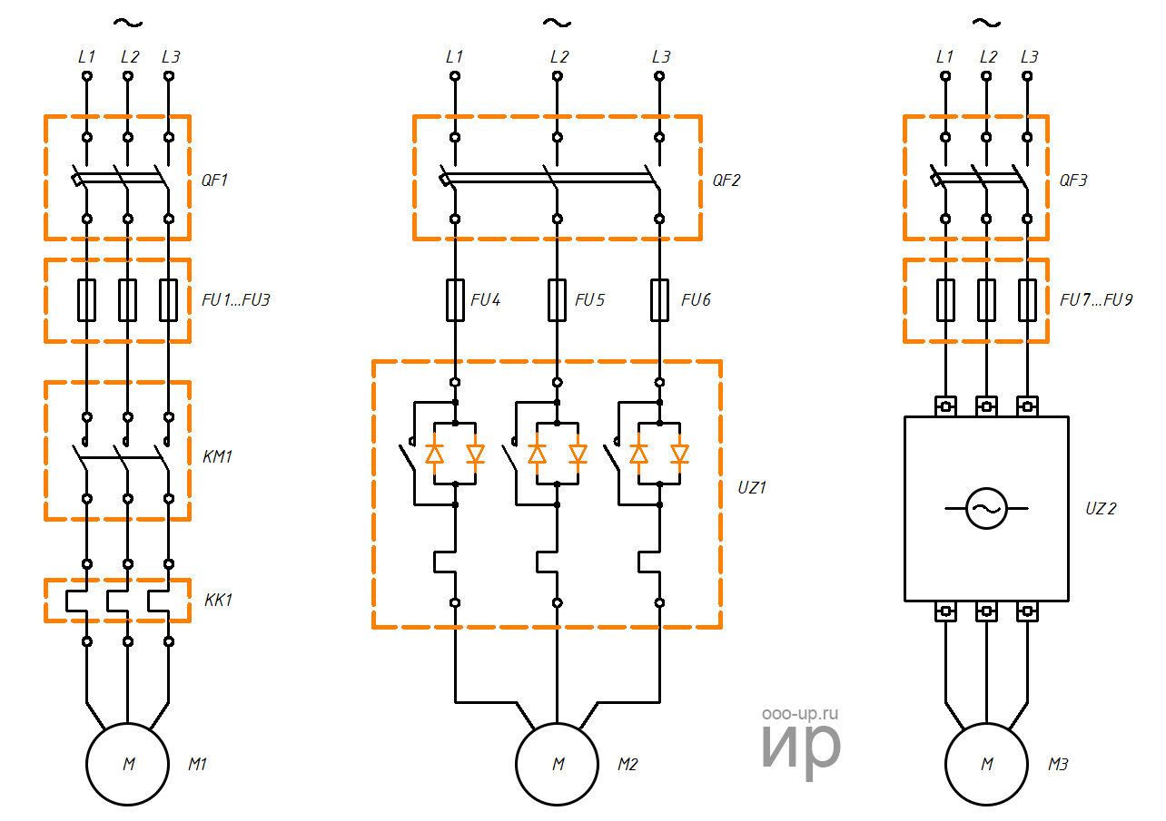
Управление асинхронным двигателем
- Способы подключения асинхронного электродвигателя к сети питания:
- прямое подключение к сети питания
- подключение от устройства плавного пуска
- подключение от преобразователя частоты

Варианты подключения асинхронного электродвигателя с помощью магнитного пускателя (слева), устройства плавного пуска (посеридине) и частотного преобразователя (справа). Схемы представлены в упрощенном виде. FU1-FU9 — плавкие предохранители, KK1 — тепловое реле, KM1 — магнитный пускатель, L1-L3 — контакты для подключения к сети трехфазного переменного тока, M1-M3 — асинхронные электродвигатели, QF1-QF3 — автоматические выключатели, UZ1 — устройство плавного пуска, UZ2 — преобразователь частоты
Прямое подключение к сети питания
Использование магнитных пускателей позволяет управлять асинхронными электродвигателями путем непосредственного подключения двигателя к сети переменного тока.
С помощью магнитных пускателей можно реализовать схему:
- нереверсивного пуска: пуск и остановка;
- реверсивного пуска: пуск, остановка и реверс.
Использование теплового реле позволяет осуществить защиту электродвигателя от величин тока намного превышающих номинальное значение.
Реверсивная схема
Недостатком прямой коммутации обмоток асинхронного электродвигателя с сетью является наличие больших пусковых токов, во время запуска электродвигателя.
Плавный пуск асинхронного электродвигателя
В задачах, где не требуется регулировка скорости электродвигателя во время работы для уменьшения пусковых токов используется устройство плавного пуска.
Устройство плавного пуска защищает асинхронный электродвигатель от повреждений вызванных резким увеличением потребляемой энергии во время пуска путем ограничения пусковых токов. Устройство плавного пуска позволяет обеспечить плавный разгон и торможение асинхронного электродвигателя.
Устройство плавного пуска дешевле и компактнее частотного преобразователе. Применяется там, где регулировка скорости вращения и момента требуется только при запуске.
Частотное управление асинхронным электродвигателем
Для регулирования скорости вращения и момента асинхронного двигателя используют частотный преобразователь. Принцип действия частотного преобразователя основан на изменении частоты и напряжения переменного тока.
- Использование частотного преобразователя позволяет:
- уменьшить энергопротребление электродвигателя;
- управлять скоростью вращения электродвигателя (плавный запуск и остановка, регулировка скорости во время работы);
- избежать перегрузок электродвигателя и тем самым увеличить его срок службы.

Функциональная схема частотно-регулируемого привода
- В зависимости от функционала частотные преобразователи реализуют следующие методы регулирования асинхронным электродвигателем:
- скалярное управление;
- векторное управление.
Выбор автоматического выключателя. ВТХ.
Прежде всего существуют различные время-токовые характеристики (ВТХ) автоматических выключателей. Подробно мы их разобрали в одной из наших прошлых статей, кому интересно, советуем обязательно ознакомиться, — тут.
Время токовые характеристики автоматических выключателей B C D.
Если рассмотреть вопрос более обобщённо, то можно выделить, несколько основных характеристик: B, С, D. В свою очередь, данные характеристики определяют при какой величине тока, автомат отключится мгновенно. Параметры отключения для характеристик B, С, D:
- B — от 3 до 5 ×In;
- C — от 5 до 10 ×In;
- D — от 10 до 20 ×In.
In — это номинальный ток автоматического выключателя. То есть мы берём номинальный ток автомата, например 16А и получаем следующие данные:
- Автоматический выключатель с характеристикой B16 отключится мгновенно при величине тока от 48 до 80 А;
- Автомат с характеристикой С16 отключится мгновенно при токе от 80 до 160 А;
- Автомат с характеристикой D16 отключится мгновенно при токе от 160 до 320 А.
Стоит отметить, что автоматические устройства с характеристикой D используются в основном в промышленности. Например, в бытовых сетях используются в основном устройства с характеристикой B и С.
Автоматы с характеристикой С используются для обеспечения защиты групповых линий и отдельных устройств с большим пусковым током. Автоматы с характеристикой B в основном используются для реализации защиты линий освещения и устройств с низким пусковым током.
Селективность автоматических выключателей.
Несомненно, при выборе устройства автоматического отключения важно уделить внимание такому параметру, как селективность. Под селективностью подразумевается такое техническое решение, при котором в случае неисправности отключается непосредственно неисправная линия, а не к примеру групповая линия. Как правило, селективность реализуется двумя способами:
Как правило, селективность реализуется двумя способами:
- Выбор номинального тока автоматического выключателя;
- выбор характеристики автоматического выключателя;
Характеристики автоматических выключателей.
Для групповых линий следует выбирать автоматы с характеристикой С и с большим номинальным током (расчётным током в групповой линии). Для питающей линии одной нагрузки следует выбирать автоматы с характеристиками B и С, при этом если нагрузка имеет низкий пусковой ток, то следует выбрать устройство с характеристикой B.
Выбор автоматического выключателя. Полюсы автоматов.
Как известно, в зависимости от напряжения в сети, для защиты устройств и питающих кабелей могут использоваться следующие автоматические выключатели:
Для сети 230 В:
- Однополюсные;
- двухполюсные.
Для сети 400 В (380В):
- Трёхполюсные;
- четырёхполюсные.
Выбор автоматических выключателей по количеству полюсов.
С одной стороны, однополюсные и трёхполюсные автоматы коммутируют фазные проводники. С другой стороны, двухполюсные и четырёхполюсные автоматические выключатели помимо фазных проводников, коммутируют также и нулевые проводники.
Выбор автоматического выключателя. Производители автоматов.
Выбор автоматического выключателя по производителю.
Бесспорно, многие задаются вопросом, какой марки автоматический выключатель выбрать? Во-первых, следует определится с сегментном и имеющимся бюджетом. К примеру, ведущими игроками в премиум сегменте являются следующие производители:
- ABB — устройства шведско-швейцарской компании. Как известно, на текущий момент являются лидером по качеству, надёжности и соответственно по дороговизне автоматических устройств;
- Legrand (Франция) — устройства во многом схожи с ABB по качеству и цене, — надёжные автоматические выключатели;
- Schneider Electric (Франция) — отличные устройства, которые хорошо себя зарекомендовали на рынке стран СНГ.
А вот автоматические выключатели среднего ценового сегмента:
- Moeller (Eaton) — немецкий бренд. Безусловно, качественные автоматические выключатели по приемлемой стоимости;
- Siemens — немецкий бренд. Выпускает также качественную автоматику, которая немногим уступает ABB, Legrand и Schneider Electric.
В частности, автоматы бюджетного сегмента представлены в большом количестве, в эту категорию попадает много устройств от китайских производителей. Одним словом, можно выделить несколько «более или менее» вменяемых брендов: КЭАЗ, DEKraft , IEK. Однако, мы бы Вам рекомендовали использовать автоматические выключатели из премиум сегмента или среднего ценового сегмента.
- Мы в TELEGRAM;
- Мы в Instagram;
- Мы на YouTube;
Устройство и принцип работы автоматического выключателя.
На рисунке ниже представлено устройство автоматического выключателя с комбинированным расцепителем, т.е. имеющий и электромагнитный и тепловой расцепитель.
- 1 — корпус;
- 2,3 — нижняя и верхняя винтовые клеммы для подключения провода;
- 4 — неподвижный контакт;
- 5 — подвижный контакт;
- 6 — дугогасительная камера;
- 7 — гибкий проводник (применяется для соединения подвижных частей автоматического выключателя);
- 8 — механизм взвода и расцепления
- 9 — катушка электромагнитного расцепителя;
- 10 — рычаг управления;
- 11 — тепловой расцепитель (биметаллическая пластина);
- 12 — регулировочный винт;
Синими стрелками на рисунке показано направление протекания тока через автоматический выключатель.
Основными элементами автоматического выключателя являются электромагнитный и тепловой расцепители:
Электромагнитный расцепитель обеспечивает защиту электрической цепи от токов короткого замыкания. Он представляет из себя катушку с находящимся в ее центре сердечником который установлен на специальной пружине, ток в нормальном режиме работы проходя по катушке согласно закону электромагнитной индукции создает электромагнитное поле которое притягивает сердечник внутрь катушки, однако силы этого электромагнитного поля не хватает что бы преодолеть сопротивление пружины на которой установлен сердечник.
При коротком замыкании ток в электрической цепи мгновенно возрастает до величины в несколько раз превышающей номинальный ток автоматического выключателя, этот ток короткого замыкания проходя по катушке электромагнитного расцепителя увеличивает электромагнитное поле воздействующее на сердечник до такой величины, что его силы втягивания хватает на то что бы преодолеть сопротивление пружины, перемещаясь внутрь катушки сердечник размыкает подвижный контакт автоматического выключателя обесточивая цепь:
При коротком замыкании (т.е. при мгновенном возрастании тока в несколько раз) электромагнитный расцепитель отключает электрическую цепь за доли секунды.
Тепловой расцепитель обеспечивает защиту электрической цепи от токов перегрузки. Перегрузка может возникнуть при включении в сеть электрооборудования общей мощностью превышающей допустимую нагрузку данной сети, что в свою очередь может привести к перегреву проводов разрушению изоляции электропроводки и выходу ее из строя.
Тепловой расцепитель представляет из себя биметаллическую пластину. Биметаллическая пластина — эта пластина спаянная из двух пластин различных металлов (металл «А» и металл «В» на рисунке ниже) имеющих разный коэффициент расширения при нагреве.
При прохождении по биметаллической пластине тока превышающего номинальный ток автоматического выключателя пластина начинает нагреваться, при этом металл «B» имеет больший коэффициент расширения при нагреве, т.е. при нагреве он расширяется быстрее чем металл «A», что приводит к искривлению биметаллической пластины, искривляясь она воздействует на механизм расцепителя, который размыкает подвижный контакт. В простой схеме это выглядит так:
Время срабатывания теплового расцепителя зависит от величины превышения тока электросети номинального тока автомата, чем больше это превышение тем быстрее сработает расцепитель.
Как правило тепловой расцепитель срабатывает при токах в 1,13-1,45 раз превышающих номинальный ток автоматического выключателя, при этом токе превышающем номинальный в 1,45 раза тепловой расцепитель отключит автомат через 45 мин — 1 час.
Время срабатывания автоматических выключателей определяется по их время-токовым характеристикам (ВТХ)
При любом отключении автоматического выключателя под нагрузкой на подвижном контакте образуется электрическая дуга которая оказывает разрушающее воздействие на сам контакт, причем чем выше отключаемый ток, тем мощнее электрическая дуга и тем большее ее разрушающее воздействие. Для сведения к минимуму ущерба от электрической дуги в автоматическом выключателе она направляется в дугогасительную камеру, которая состоит из отдельных, параллельно установленных пластин, попадая между этих пластин электрическая дуга дробится и затухает.
Коротко принцип работы и предназначение защитных автоматов
Автоматический выключатель при коротком замыкании срабатывает практически моментально благодаря электромагнитному расщепителю. При определённом превышении номинального значения тока нагревающаяся биметаллическая пластина отключит напряжение спустя некоторое время, которое можно узнать из графика время токовой характеристики.
Данное предохранительное устройство защищает проводку от КЗ и сверх токов, превышающих расчётное значение для данного сечения провода, которые могут разогреть токопроводящие жилы до температуры плавления и возгорания изоляции. Чтобы этого не произошло, нужно не только правильно подобрать защитный выключатель, соответствующий мощности подключаемых устройств, но и проверить, выдержит ли имеющаяся сеть такие нагрузки.

Внешний вид трех полюсного автоматического выключателя
Провода должны соответствовать нагрузке
Очень часто бывает, что в старом доме устанавливается новый электросчётчик, автоматы, УЗО, но проводка остаётся старой. Покупается много бытовой техники, суммируется мощность и под неё подбирается автомат, который исправно держит нагрузку всех включённых электроприборов.
Вроде всё правильно, но вдруг изоляция проводов начинает выделять характерный запах и дым, появляется пламя, а защита не срабатывает. Это может случиться, если параметры электропроводки не рассчитаны на такой ток .
Допустим, поперечное сечение жилы старого кабеля — 1,5мм², с максимально допустимым пределом по току в 19А. Принимаем, что одновременно к нему подключили несколько электроприборов, составляющих суммарную нагрузку 5кВт, что в токовом эквиваленте составляет приблизительно 22,7А, ему соответствует автомат 25А.
Провод будет разогреваться, но данный автомат будет оставаться включённым все время, пока не произойдёт расплавление изоляции, что повлечёт короткое замыкание, а пожар уже может разгораться полным ходом.

кабель силовой NYM
Защитить самое слабое звено электропроводки
Поэтому, прежде чем сделать выбор автомата соответственно защищаемой нагрузке, нужно удостовериться, что проводка данную нагрузку выдержит.
Согласно ПУЭ 3.1.4 автомат должен защищать от перегрузок самый слабый участок электрической цепи, или выбираться с номинальным током, соответствующим токам подключаемых электроустановок, что опять же подразумевает их подключение проводниками с требуемым поперечным сечением.
При игнорировании этого правила не стоит нарекать на неправильно рассчитанный автомат и проклинать его производителя, если слабое звено электропроводки вызовет пожар.

Расплавленная изоляция проводов
Расчет номинала автомата
Допускаем, что проводка новая, надёжная, правильно рассчитанная, и соответствует всем требованиям. В этом случае выбор автоматического выключателя сводится к определению подходящего номинала из типичного ряда значений, исходя из расчетного тока нагрузки, который вычисляется по формуле:
где Р – суммарная мощность электроприборов.
Подразумевается активная нагрузка (освещение, электронагревательные элементы, бытовая техника). Такой расчет полностью подходит для домашней электросети в квартире.
Допустим расчет мощности произведён: Р=7,2 кВт. I=P/U=7200/220=32,72 А. Выбираем подходящий автомат на 32А из ряда значений: 1, 2, 3, 6, 10, 16, 20, 25, 32, 40, 63, 80, 100.
Данный номинал немного меньше расчётного, но ведь практически не бывает одновременного включения всех электроприборов в квартире. Также стоит учитывать, что на практике срабатывание автомата начинается со значения в 1,13 раза больше от номинального, из-за его времятоковой характеристики, то есть 32*1,13=36,16А.
Для упрощения выбора защитного автомата существует таблица, где номиналы автоматов соответствуют мощности однофазной и трёхфазной нагрузки:

Таблица выбора автомата по току
Найденный по формуле в вышеприведённом примере номинал наиболее близок по значению мощности, которое указано в выделенной красном ячейке. Также, если вы хотите рассчитать ток для трехфазной сети, при выборе автомата, ознакомьтесь со статьей про расчет и выбор сечения провода
Подбор защитных автоматов для электрических установок (электродвигателей, трансформаторов) с реактивной нагрузкой, как правило, не производится по мощности. Номинал и тип время токовой характеристики автоматического выключателя подбирается соответственно рабочему и пусковому току, указанному в паспорте данного устройства.
Таблица подбор сечения провода по мощности
Какое сечение провода нужно для 3 квт
Формула как найти мощность тока
Плавный пуск асинхронного электродвигателя с короткозамкнутым ротором
Новогодние поздравления с юмором
Устройство автоматического выключателя
Автоматический выключатель (на языке электриков «автомат») является основой защиты в силовых электрических цепях низкого (до 1000 Вольт) напряжения. Это комбинированный электроприбор, сочетающий в себе функции выключателя и защитного устройства. Практически вся система распределения и защиты бытовой электропроводки построена на автоматах. Хочу сразу заметить, что основное применение автомата — это защита того участка электропроводки, который находится между выходом из автомата и потребителем. Если далее по линии находится другой автомат, то наш автомат должен защищать участок между этими двумя автоматами. При возникновении перегрузки или короткого замыкания на каком-то участке цепи, должен сработать только один автомат, защищающий конкретно данный участок цепи.
Принцип определения
Iн для жил проводов и кабелей определяют по таблицам “Правил устройства электроустановок”, справочников и прочей специализированной литературы, в них учитываются:

- материал проводника (в основном указываются данные для меди и алюминия). Металлы и сплавы имеют разное сопротивление, а от него зависит баланс между выделением тепла (Q = I 2 * R, где I — сила тока, R — электросопротивление проводника) и его отводом;
- площадь поперечного сечения жилы: от этого также зависит величина R;
- способ прокладки (открыто или в канале), число жил в кабеле и материал изоляции.
Для вычисления площади поперечного сечения жилы, измеряют штангенциркулем ее диаметр D, затем производят расчет по формуле: S = (3.14 * D 2 ) / 4. Определив номинальный ток провода, сопоставляют его с номинальным током нагрузки.
Если последний окажется больше, берут провод с большей площадью сечения жил. Для определения номинального тока нагрузки, если таковая не указана на информационной табличке, необходимо знать формулы.
ГОСТ и стандарты
Например, соответствие стандарту. Вот модель от Шнайдер Электрик, которая одновременно отвечает двум международным стандартам.
Эти стандарты имеют отечественные аналоги. Для российского рынка чаще всего указывается ГОСТ Р50345.
Эта надпись означает, что выключатель можно применять только в бытовых условиях.
Обслуживать его могут рядовые потребители и лица, без прохождения какого-либо обучения и инструктажа.
Есть и другой ГОСТ Р500030.2
Эти модели уже предназначены для эксплуатации в промышленных условиях. Работать с такими аппаратами разрешается только квалифицированному персоналу.
Далее некоторые надписи могут дублировать информацию на передней панели.
U=400V — номинальное рабочее напряжение
Icn=6000А — наибольшая отключающая способность
50/60Гц — частота работы электросети
I=8In (С) — автоматический выключатель имеет характеристику «С» с пределом электромагнитного отключения 8 крат от номинального тока (+-20%).
Определение мощности подстанции
Методы определения электрических нагрузок.
Проектирование электроснабжения предприятия выполняют, как правило, в два этапа: стадия проектного задания (или технического проекта) и стадия рабочих чертежей. На стадии проектного задания расчет электрических нагрузок выполняют приближенно, например согласно данным о суммарной установленной мощности отдельных потребителей (отделения цеха и т. д.). На стадии рабочих чертежей производят окончательный уточненный расчет электрических нагрузок с использованием конкретных данных о единичных приемниках отделений, цехов и т.д. Определение расчетных нагрузок выполняют от низших к высшим ступеням системы электроснабжения по отдельным расчетным узлам в сетях напряжением до и выше 1000 В. Расчет электрических нагрузок различных узлов системы электроснабжения выполняют с целью выбора сечений питающих и распределительных сетей напряжением до и выше 1000 В, числа и мощности трансформаторов подстанций, сечений шин их распределительных устройств, коммутационной и защитной аппаратуры. Основные методы определения наибольших расчетных нагрузок, применяемые в настоящее время в практике проектирования, могут быть разделены на две основные группы: 1) метод, определяющий наибольшую расчетную нагрузку Рмах путем умножения установленной мощности потребителя Руст на коэффициент спроса кс < 1, т. с. Р,=Руст кс ;2) методы, определяющие наибольшую расчетную нагрузку либо путем умножения величины средней нагрузки Рср на коэффициент увеличения средней нагрузки, т. е. Рмах = Рсркун, либо путем добавления к величине средней нагрузки некоторой величины ∆с, характеризующей отклонение наибольшей нагрузки от средней, т. е. Рmax == Рср + ∆с. К первой группе относят метод определения расчетной нагрузки по установленной мощности и коэффициенту спроса, который рассматривается ниже подробно. Этот метод по сравнению с методами второй группы, является приближенным и используется в основном на стадии проектного задания. Особую группу составляют методы определения расчетных нагрузок по удельным показателям производства, а именно по удельному расходу электроэнергии на единицу продукции при заданном объеме продукции за определенный период и по удельной мощности на единицу производственной площади. Данные по удельным показателям производства, накопленные на основании длительного опыта проектирования и эксплуатации электроустановок различного назначения, приводятся в справочной литературе.
Что такое номинальный ток автомата
Номинальный ток – это максимально допустимое значение электрического тока, который пропускает автоматический выключатель без отключения сети.
Чтобы понять и сделать выбор автомата по току, нужно исходить из двух факторов:
- 1. Сечение электрического кабеля – площадь поперечного сечения кабеля электропроводки, который способен без нагрева выдерживать определенную мощность нагрузки.
- 2. Максимальной нагрузке – мощности всех электроприборов, подключённых к данной линии на максимальном режиме работы.
При выборе автоматического выключателя нельзя ставить защитное устройство номиналом по току выше, чем может выдержать смонтированный силовой кабель. Такой автомат не защитит электропроводку и сработает уже поле перегрева линии.
В любом случае сечение электрического кабеля, номинал автомата и мощность нагрузки между собой очень сильно связаны. Силовой кабель может пропускать ограниченную его сечением величину тока.
Поэтому идеальным вариантом для устройства электрической сети будет такая последовательность: расчет мощности всех потребителей на силовой линии, расчет площади поперечного сечения, монтируемого кабеля по максимальной мощности всех устройств, расчет автоматического выключателя исходя из выбранного кабеля.
Мощность рассеивания автоматических выключателей
Рассеивание — это потери электроэнергии, которые в виде тепла уходят в окружающую среду. Для примера приведу паспортные значения рассеиваемой мощности для автоматов ВА 47-63 (для новых автоматов при значениях тока, равных номинальному):
| Номинальный ток In, A | Мощность рассеивания, Вт | |||
| 1-полюсные | 2-полюсные | 3-полюсные | 4-полюсные | |
| 1 | 1,2 | 2,4 | 3,6 | 4,8 |
| 2 | 1,3 | 2,6 | 3,9 | 5,2 |
| 3 | 1,3 | 2,6 | 3,9 | 5,2 |
| 4 | 1,4 | 2,8 | 4,2 | 5,6 |
| 5 | 1,6 | 3,2 | 4,8 | 6,4 |
| 6 | 1,8 | 3,6 | 5,5 | 7,2 |
| 8 | 1,8 | 3,6 | 5,5 | 7,33 |
| 10 | 1,9 | 3,9 | 5,9 | 7,9 |
| 13 | 2,5 | 5,3 | 7,8 | 10,3 |
| 16 | 2,7 | 5,6 | 8,1 | 11,4 |
| 20 | 3,0 | 6,4 | 9,4 | 13,6 |
| 25 | 3,2 | 6,6 | 9,8 | 13,4 |
| 32 | 3,4 | 7,5 | 11,2 | 13,8 |
| 35 | 3,8 | 7,6 | 11,4 | 15,3 |
| 40 | 3,7 | 8,1 | 12,1 | 15,5 |
| 50 | 4,5 | 9,9 | 14,9 | 20,5 |
| 63 | 5,2 | 11,5 | 17,2 | 21,4 |
Как видим, автоматический выключатель тоже хочет есть. Поэтому не стоит увлекаться и втыкать автоматы везде, где это возможно. Где же происходят потери? Основная часть приходится на тепловой расцепитель. Но не надо излишне драматизировать ситуацию. Эти потери пропорциональны протекающему току. Поэтому, если например нагрузка в 2 раза меньше номинальной, то и потери будут соответственно в 4 раза меньше, а при отсутствии нагрузки не будет и потерь. Если их представить в процентном виде, то будут величины порядка 0,05-0.5%, причем наименьший процент у самых мощных автоматов. В самих контактах, пока автомат новый, потери незначительны. Но в процессе эксплуатации контакты будут подгорать, переходное сопротивление будет расти, а с ним будут расти и потери. Поэтому у старого автомата потери могут быть заметно больше. Как измерить потери —





